Converter: AC/DC; 50W; 85÷264VAC; Usup: 100÷370VDC; Uout: 5VDC; 82%

Multiples: 1.0
Minimum quantity: 1.0
Product code: AME60-5SVZ
Manufacturer: AIMTEC
Manufacturer code: AME60-5SVZ
  • Output current
  • Mounting
  • Power
  • Operating temperature
  • Protection
  • Protection
  • Protection
  • Series
  • Body dimensions
  • Output voltage
  • Insulation voltage
  • Efficiency

0.00 € 0.00 € (wo VAT) 0.0 EUR

0.00 €

This combination does not exist.

Add to Cart

Product downloads

Specification for Converter: AC/DC; 50W; 85÷264VAC; Usup: 100÷370VDC; Uout: 5VDC; 82%

Output current 10A
Mounting PCB
Power 50W
Operating temperature -40...70°C
Protection anti-overload, anti-overvoltage, short circuit protection
Series AME
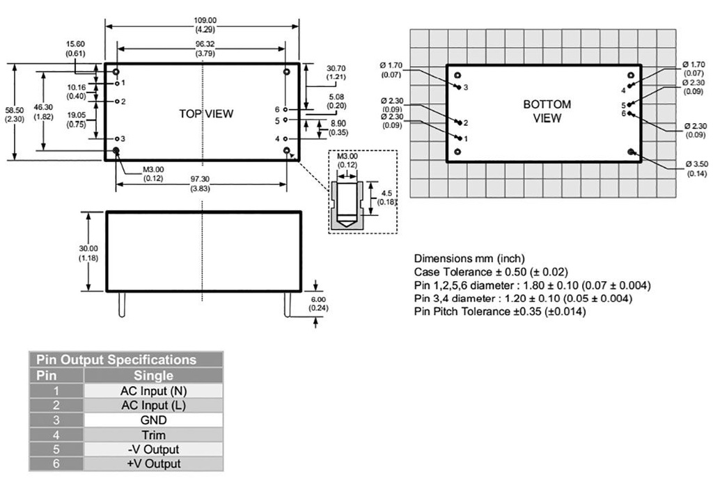
Body dimensions 109x58.5x30mm
Output voltage 5V DC
Insulation voltage 4kV
Efficiency 82%