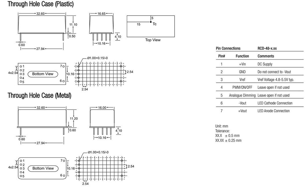
Converter: DC/DC; Uin: 9÷60V; Uout: 2÷56VDC; Iout: 350mA; 13g

Multiples: 1.0
Minimum quantity: 1.0
Product code: RCD-48-0.35
Manufacturer: RECOM
Manufacturer code: RCD-48-0.35
  • Output current
  • Mounting
  • Operating temperature
  • Protection
  • Series
  • Application
  • Body dimensions
  • Output voltage
  • Additional functions
  • Efficiency
  • Number of outputs

22.43 € 22.43 € (wo VAT) 22.43 EUR

22.43 €

This combination does not exist.

Add to Cart

Product downloads

Specification for Converter: DC/DC; Uin: 9÷60V; Uout: 2÷56VDC; Iout: 350mA; 13g

Output current 350mA
Mounting PCB
Operating temperature -40...80°C
Protection short circuit protection
Series RCD-48
Application LED
Body dimensions 32.6x16.65x11.1mm
Output voltage 2...56V DC
Additional functions PWM controlled dimming function
Efficiency 96%
Number of outputs 1