Power supply: switched-mode; modular; 753.6W; 48VDC; 43÷56VDC

Multiples: 1.0
Minimum quantity: 1.0
Product code: SP-750-48
Manufacturer: MEAN WELL
Manufacturer code: SP-750-48
  • Output current
  • Supply voltage
  • Supply voltage
  • Power
  • Operating temperature
  • Protection
  • Protection
  • Protection
  • Protection
  • Type of power supply
  • Series
  • Body dimensions
  • Output voltage
  • Additional functions
  • Efficiency
  • Number of outputs
  • Electrical connection
  • Kind of power supply
  • Kind of case

0.00 € 0.00 € (wo VAT) 0.0 EUR

0.00 €

This combination does not exist.

Add to Cart

Product downloads

Specification for Power supply: switched-mode; modular; 753.6W; 48VDC; 43÷56VDC

Output current 15.7A
Supply voltage 90...264V AC, 127...370V DC
Power 753.6W
Operating temperature -20...60°C
Protection overheating, anti-overload, anti-overvoltage, short circuit protection
Type of power supply switched-mode
Series SP-750
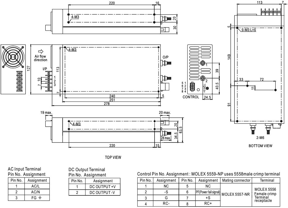
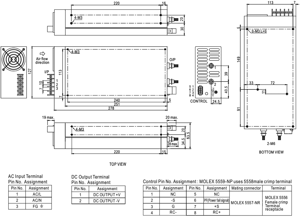
Body dimensions 278x127x63.5mm
Output voltage 48V DC
Additional functions active PFC
Efficiency 90%
Number of outputs 1
Electrical connection terminal block
Kind of power supply modular
Kind of case 919A