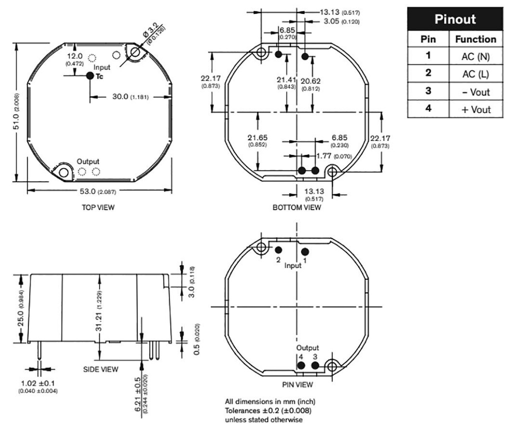
Converter: AC/DC; 24W; 12VDC; 2A; 53x51x25mm; 114g; -20÷80°C; 88%

Multiples: 1.0
Minimum quantity: 1.0
Product code: TMW 24-112P
Manufacturer: TRACO POWER
Manufacturer code: TMW 24-112P
  • Output current
  • Mounting
  • Supply voltage
  • Power
  • Operating temperature
  • Protection
  • Protection
  • Protection
  • Protection
  • Type of power supply
  • Application
  • Output voltage
  • Insulation voltage
  • Efficiency

48.50 € 48.50 € (wo VAT) 48.5 EUR

48.50 €

This combination does not exist.

Add to Cart

Product downloads

Specification for Converter: AC/DC; 24W; 12VDC; 2A; 53x51x25mm; 114g; -20÷80°C; 88%

Output current 2A
Mounting flush mount
Supply voltage 85...264V AC
Power 24W
Operating temperature -20...80°C
Protection anti-overload, anti-overvoltage, overheating, short circuit protection
Type of power supply switched-mode
Application medical applications
Output voltage 12V DC
Insulation voltage 4kV
Efficiency 88%