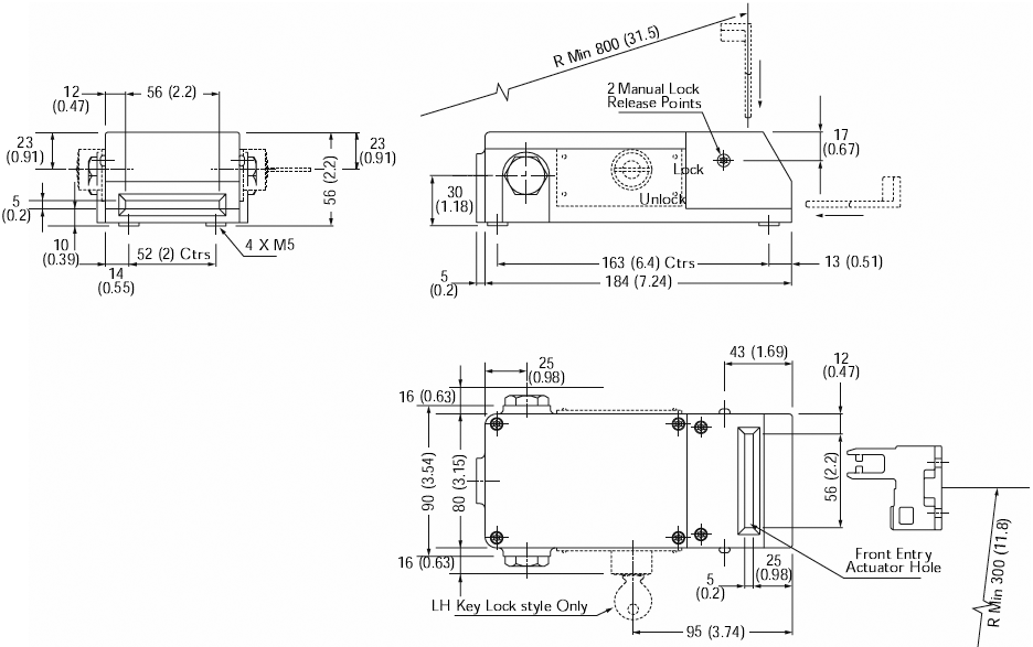
Safety switch: bolting; Series: ATLAS; Contacts: NC x2; IP65; 5000N

Kordarv: 1.0
Minimum quantity: 1.0
Tootekood: 440G-L07262
Tootja: GUARD MASTER
Tootja tootekood: 440G-L07262
  • Supply voltage
  • Operating temperature
  • IP rating
  • Colour
  • Series
  • Body material
  • Mechanical durability
  • Electrical connection
  • Integrated auxiliary contacts
  • Contacts configuration
  • Type of safety switch
  • Number of key entry slots
  • Safety switches features
  • Safety switches features

669,81 € 669,81 € (KM-TA) 669.8100000000001 EUR

669,81 €

Seda kombinatsiooni ei eksisteeri.

Lisa ostukorvi

Product downloads

Spetsifikatsioon tootele Safety switch: bolting; Series: ATLAS; Contacts: NC x2; IP65; 5000N

Supply voltage 230V AC
Operating temperature -10...60°C
IP rating IP65
Colour red
Series ATLAS
Body material metal
Mechanical durability 1000000cycles
Electrical connection 3x M20
Integrated auxiliary contacts NO
Contacts configuration NC x2
Type of safety switch bolting
Number of key entry slots 2
Safety switches features power to release, with right-angled key