Power supply: switched-mode; 15W; 85÷264VAC; 12÷13.8VDC; 85%; DIN

Kordarv: 1.0
Minimum quantity: 1.0
Tootekood: AMED15-12SNZ
Tootja: AIMTEC
Tootja tootekood: AMED15-12SNZ
  • Output current
  • Mounting
  • Supply voltage
  • Power
  • Operating temperature
  • Protection
  • Protection
  • Protection
  • Protection
  • Type of power supply
  • Output voltage
  • Efficiency
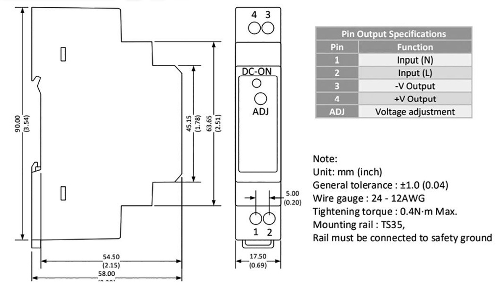
  • Electrical connection
  • Kind of power supply

24,43 € 24,43 € (KM-TA) 24.43 EUR

24,43 €

Seda kombinatsiooni ei eksisteeri.

Lisa ostukorvi

Spetsifikatsioon tootele Power supply: switched-mode; 15W; 85÷264VAC; 12÷13.8VDC; 85%; DIN

Output current 1.25A
Mounting for DIN rail mounting
Supply voltage 85...264V AC
Power 15W
Operating temperature -40...70°C
Protection anti-overload, anti-overvoltage, overheating, short circuit protection
Type of power supply switched-mode
Output voltage 12V DC
Efficiency 85%
Electrical connection terminal block
Kind of power supply for DIN rail