Power supply: switched-mode; 53.6W; 85÷264VAC; Usup: 120÷373VDC

Kordarv: 1.0
Minimum quantity: 1.0
Tootekood: AMES50-0524DNZ
Tootja: AIMTEC
Tootja tootekood: AMES50-0524DNZ
  • Output current
  • Supply voltage
  • Supply voltage
  • Power
  • Operating temperature
  • Protection
  • Protection
  • Protection
  • Type of power supply
  • Body dimensions
  • Output voltage
  • Efficiency
  • Output voltage 2
  • Number of outputs
  • Electrical connection
  • Kind of case

0,00 € 0,00 € (KM-TA) 0.0 EUR

0,00 €

Seda kombinatsiooni ei eksisteeri.

Lisa ostukorvi

Product downloads

Spetsifikatsioon tootele Power supply: switched-mode; 53.6W; 85÷264VAC; Usup: 120÷373VDC

Output current 4A
Supply voltage 85...264V AC, 120...373V DC
Power 53.6W
Operating temperature -30...70°C
Protection anti-overload, anti-overvoltage, short circuit protection
Type of power supply switched-mode
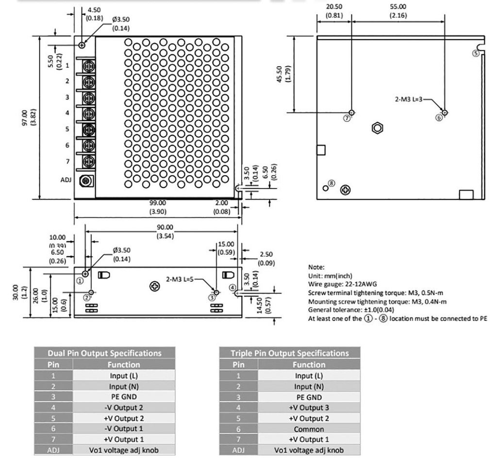
Body dimensions 99x97x30mm
Output voltage 5V DC
Efficiency 84%
Output voltage 2 24V DC
Number of outputs 2
Electrical connection screw terminals
Kind of case AMES