Converter: DC/DC; 150W; Uin: 180÷425V; Uout: 5VDC; Iout: 30A; 65g

Kordarv: 1.0
Minimum quantity: 1.0
Tootekood: CQB150-300S05
Tootja: CINCON
Tootja tootekood: CQB150-300S05
  • Output current
  • Mounting
  • Power
  • Operating temperature
  • Protection
  • Protection
  • Protection
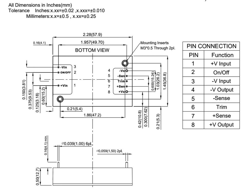
  • Body dimensions
  • Output voltage
  • Insulation voltage
  • Efficiency
  • Number of outputs
  • Switching frequency

139,06 € 139,06 € (KM-TA) 139.06 EUR

139,06 €

Seda kombinatsiooni ei eksisteeri.

Lisa ostukorvi

Product downloads

Spetsifikatsioon tootele Converter: DC/DC; 150W; Uin: 180÷425V; Uout: 5VDC; Iout: 30A; 65g

Output current 30A
Mounting THT
Power 150W
Operating temperature -40...105°C
Protection anti-overload, overheating, short circuit protection
Body dimensions 57.9x36.8x12.7mm
Output voltage 5V DC
Insulation voltage 3kV DC
Efficiency 86%
Number of outputs 1
Switching frequency 360kHz