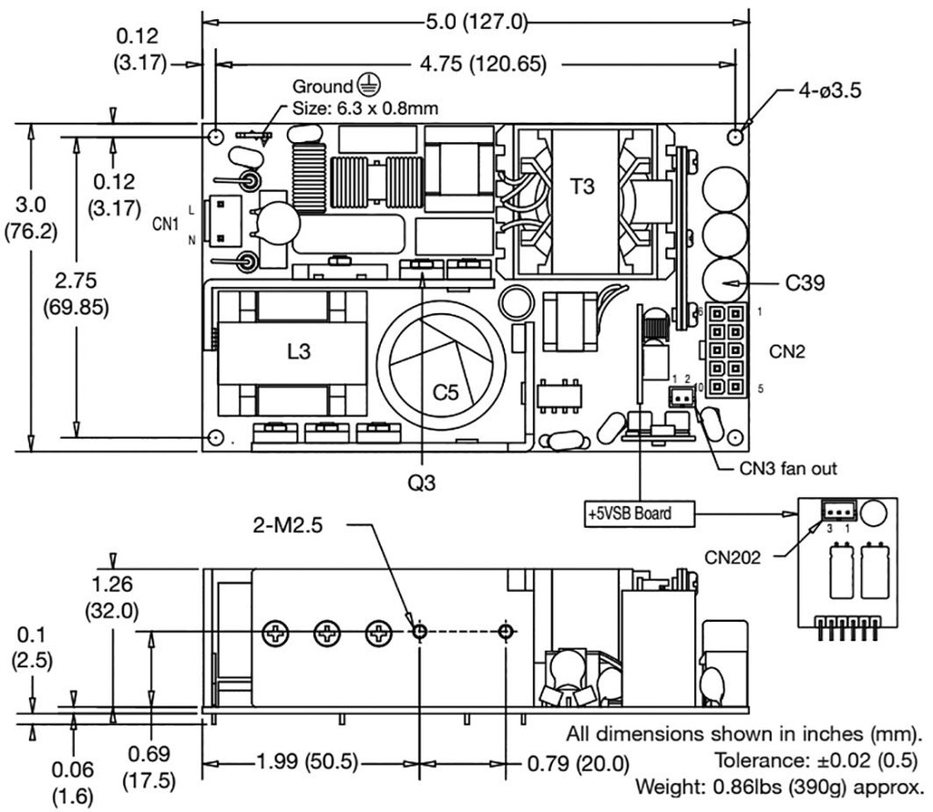
AC/DC Open Frame Power Supply (PSU), ITE & Medical, 1 Output, 250 W, 450W @ 10CFM
Kordarv:
1.0
Minimum quantity:
1.0
Tootekood:
ECH450PS24
Tootja: XP POWER
Tootja tootekood: ECH450PS24
Product downloads
Spetsifikatsioon tootele AC/DC Open Frame Power Supply (PSU), ITE & Medical, 1 Output, 250 W, 450W @ 10CFM
| Output current | 10.4A |
| Mounting | mounting holes |
| Supply voltage | 90...264V AC |
| Case | 5"x3" |
| Power | 450W |
| Operating temperature | -20...70°C |
| Protection | anti-overload, short circuit protection |
| Type of power supply | switched-mode |
| Application | IT, medical applications |
| Output voltage | 24V DC |
| Additional functions | remote ON/OFF control |
| Insulation voltage | 4kV |
| Efficiency | 94% |
| Number of outputs | 2 |
| Electrical connection | connector with snap lock |
| Kind of power supply | open |