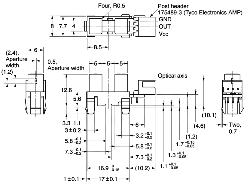
Sensor: photoelectric; through-beam (with slot); Usup: 7VDC; 16mA

Kordarv: 1.0
Minimum quantity: 1.0
Tootekood: EE-SX3239-P2
Tootja: OMRON
Tootja tootekood: EE-SX3239-P2
  • Mounting
  • Supply voltage
  • Operating temperature
  • Collector current
  • Electrical connection
  • Type of sensor
  • Slot width
  • Operation mode
  • Operation modes
  • Aperture width

0,00 € 0,00 € (KM-TA) 0.0 EUR

0,00 €

Seda kombinatsiooni ei eksisteeri.

Lisa ostukorvi

Product downloads

Spetsifikatsioon tootele Sensor: photoelectric; through-beam (with slot); Usup: 7VDC; 16mA

Mounting SNAP-IN
Supply voltage 7V DC
Operating temperature -20...75°C
Collector current 16mA
Electrical connection stud terminals
Type of sensor photoelectric
Slot width 5mm
Operation mode through-beam (with slot)
Operation modes DARK-ON
Aperture width 500µm