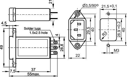
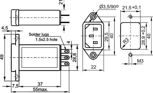
Connector: AC supply; socket; male; 2A; 250VAC; IEC 60320; -25÷85°C

Kordarv: 1.0
Minimum quantity: 1.0
Tootekood: FW412-2
Tootja:
Tootja tootekood: FW412-2
  • Operating temperature
  • Electrical mounting
  • Connector
  • Kind of connector
  • Mechanical mounting
  • Mechanical mounting
  • Type of connector
  • Current rating
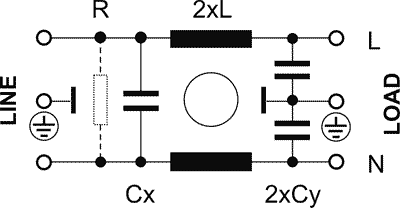
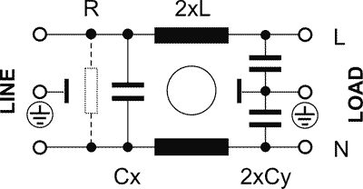
  • Inductance
  • Standard
  • Rated voltage
  • Connector variant
  • Capacitance Cy
  • Capacitance Cx

6,48 € 6,48 € (KM-TA) 6.48 EUR

6,48 €

Seda kombinatsiooni ei eksisteeri.

Lisa ostukorvi

Spetsifikatsioon tootele Connector: AC supply; socket; male; 2A; 250VAC; IEC 60320; -25÷85°C

Operating temperature -25...85°C
Electrical mounting soldering
Connector socket
Kind of connector male
Mechanical mounting for panel mounting, screw
Type of connector AC supply
Current rating 2A
Inductance 1mH
Standard IEC 60320
Rated voltage 250V AC
Connector variant C14 (E)
Capacitance Cy 2.2nF
Capacitance Cx 100nF