Converter: AC/DC; 1W; 85÷305VAC; Usup: 100÷430VDC; Uout: 7.5VDC

Kordarv: 440.0
Minimum quantity: 440.0
Tootekood: HP01S0700WI-X
Tootja: ZETTLER
Tootja tootekood: HP01S0700WI-X
  • Output current
  • Mounting
  • Mounting
  • Power
  • Operating temperature
  • Body dimensions
  • Output voltage
  • Insulation voltage
  • Efficiency
  • Number of outputs

5,85 € 5,85 € (KM-TA) 5.8500000000000005 EUR

5,85 €

Seda kombinatsiooni ei eksisteeri.

Lisa ostukorvi

Product downloads

Spetsifikatsioon tootele Converter: AC/DC; 1W; 85÷305VAC; Usup: 100÷430VDC; Uout: 7.5VDC

Output current 133mA
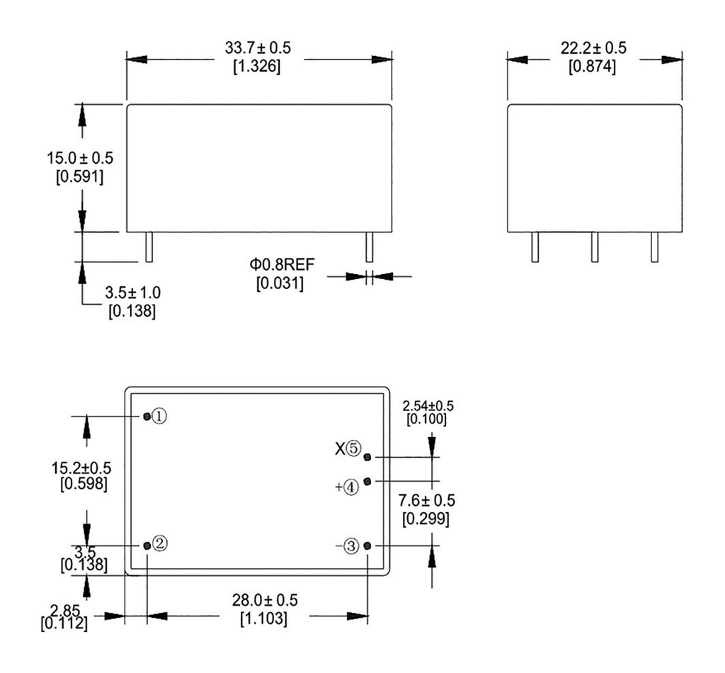
Mounting PCB, THT
Power 1W
Operating temperature -25...85°C
Body dimensions 33.7x22.2x15mm
Output voltage 7.5V DC
Insulation voltage 3kV
Efficiency 63%
Number of outputs 1