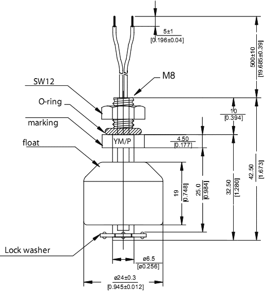
Sensor: liquid level; -20÷90°C; lead 0,5m; Output conf: SPST-NO

Kordarv: 1.0
Minimum quantity: 1.0
Tootekood: LS01-1A66-PP-500W
Tootja: MEDER
Tootja tootekood: LS01-1A66-PP-500W
  • Max. operating current
  • Operating temperature
  • Application
  • Application
  • Body material
  • Max. operating voltage
  • Max. operating voltage
  • Output configuration
  • Type of sensor
  • Switching capacity
  • Sensors features

8,85 € 8,85 € (KM-TA) 8.85 EUR

8,85 €

Seda kombinatsiooni ei eksisteeri.

Lisa ostukorvi

Product downloads

Spetsifikatsioon tootele Sensor: liquid level; -20÷90°C; lead 0,5m; Output conf: SPST-NO

Max. operating current 500mA
Operating temperature -20...90°C
Application dilute acids, water
Body material polypropylene
Max. operating voltage 200V AC, 200V DC
Output configuration SPST-NO
Type of sensor liquid level
Switching capacity 10W
Sensors features sensor for vertical mounting