Module: level monitoring relay; conductive fluid level; DIN

Kordarv: 1.0
Minimum quantity: 1.0
Tootekood: MCK-108
Tootja: NOVATEK ELECTRO
Tootja tootekood: MCK-108
  • Mounting
  • Supply voltage
  • Operating temperature
  • IP rating
  • Additional functions
  • Additional functions
  • Additional functions
  • Additional functions
  • Additional functions
  • Insulation voltage
  • Number of inputs
  • Number of outputs
  • Controlled parameter
  • Kind of output 1
  • Kind of input
  • Kind of output 2

63,21 € 63,21 € (KM-TA) 63.21 EUR

63,21 €

Seda kombinatsiooni ei eksisteeri.

Lisa ostukorvi

Product downloads

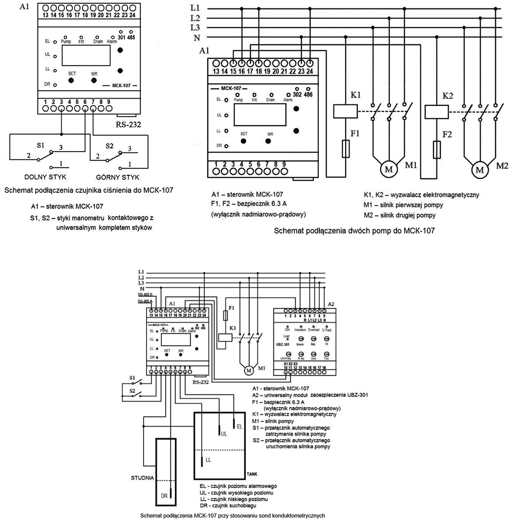
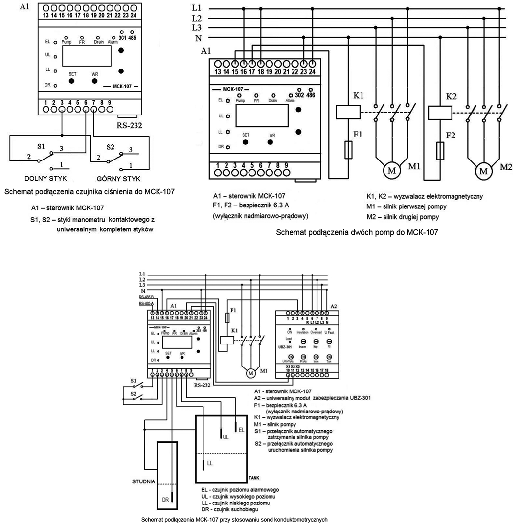
Spetsifikatsioon tootele Module: level monitoring relay; conductive fluid level; DIN

Mounting for DIN rail mounting
Supply voltage 230V AC
Operating temperature -35...55°C
IP rating IP20
Additional functions control filling and draining of reservoirs with conductive fluids, dry running protection, LED status indicator, maximum and minimum level control, remote control
Insulation voltage 450V
Number of inputs 5
Number of outputs 2
Controlled parameter conductive fluid level
Kind of output 1 relay
Kind of input liquid level sensor x5
Kind of output 2 relay