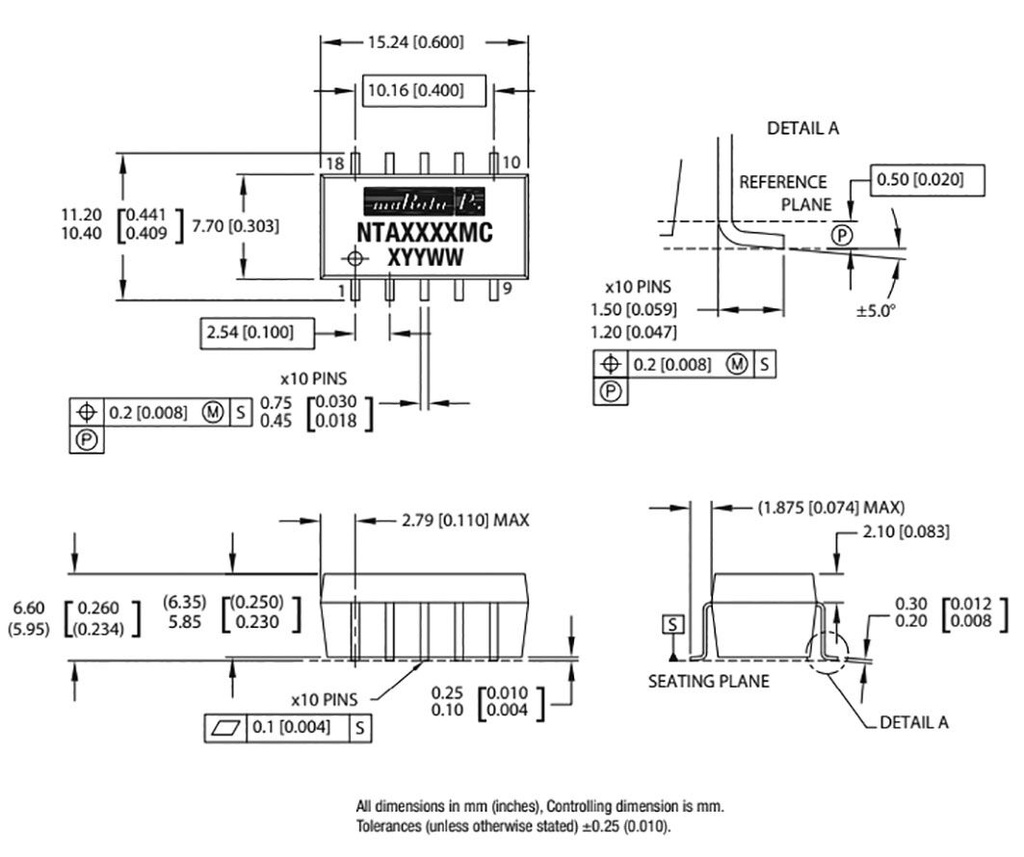
Isolated Board Mount DC/DC Converter, Miniature, ITE, 2 Output, 1 W, 5 V, 100 mA, -5 V

Kordarv: 1.0
Minimum quantity: 1.0
Tootekood: NTA0505MC
Tootja: MURATA POWER SOLUTIONS
Tootja tootekood: NTA0505MC
  • Output current
  • Mounting
  • Power
  • Operating temperature
  • Output voltage
  • Input voltage
  • Insulation voltage
  • Efficiency
  • Output current 2
  • Output voltage 2
  • Number of outputs

9,68 € 9,68 € (KM-TA) 9.68 EUR

9,68 €

Seda kombinatsiooni ei eksisteeri.

Lisa ostukorvi

Product downloads

Spetsifikatsioon tootele Isolated Board Mount DC/DC Converter, Miniature, ITE, 2 Output, 1 W, 5 V, 100 mA, -5 V

Output current 100mA
Mounting SMT
Power 1W
Operating temperature -40...85°C
Output voltage 5V DC
Input voltage 4.5...5.5V DC
Insulation voltage 1kV DC
Efficiency 69%
Output current 2 100mA
Output voltage 2 -5V DC
Number of outputs 2