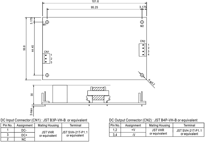
Converter: DC/DC; 30W; Uin: 36÷72V; 12VDC; Iout: 2.5A; 150g; OUT: 1

Kordarv: 1.0
Minimum quantity: 1.0
Tootekood: PSD-30C-12
Tootja: MEAN WELL
Tootja tootekood: PSD-30C-12
  • Output current
  • Mounting
  • Power
  • Operating temperature
  • Protection
  • Protection
  • Protection
  • Protection
  • Series
  • Body dimensions
  • Output voltage
  • Efficiency
  • Number of outputs

14,85 € 14,85 € (KM-TA) 14.85 EUR

14,85 €

Seda kombinatsiooni ei eksisteeri.

Lisa ostukorvi

Product downloads

Spetsifikatsioon tootele Converter: DC/DC; 30W; Uin: 36÷72V; 12VDC; Iout: 2.5A; 150g; OUT: 1

Output current 2.5A
Mounting PCB
Power 30W
Operating temperature -20...60°C
Protection against reverse polarity, anti-overload, anti-overvoltage, short circuit protection
Series PSD-30
Body dimensions 101.6x50.8x3mm
Output voltage 12V DC
Efficiency 82%
Number of outputs 1