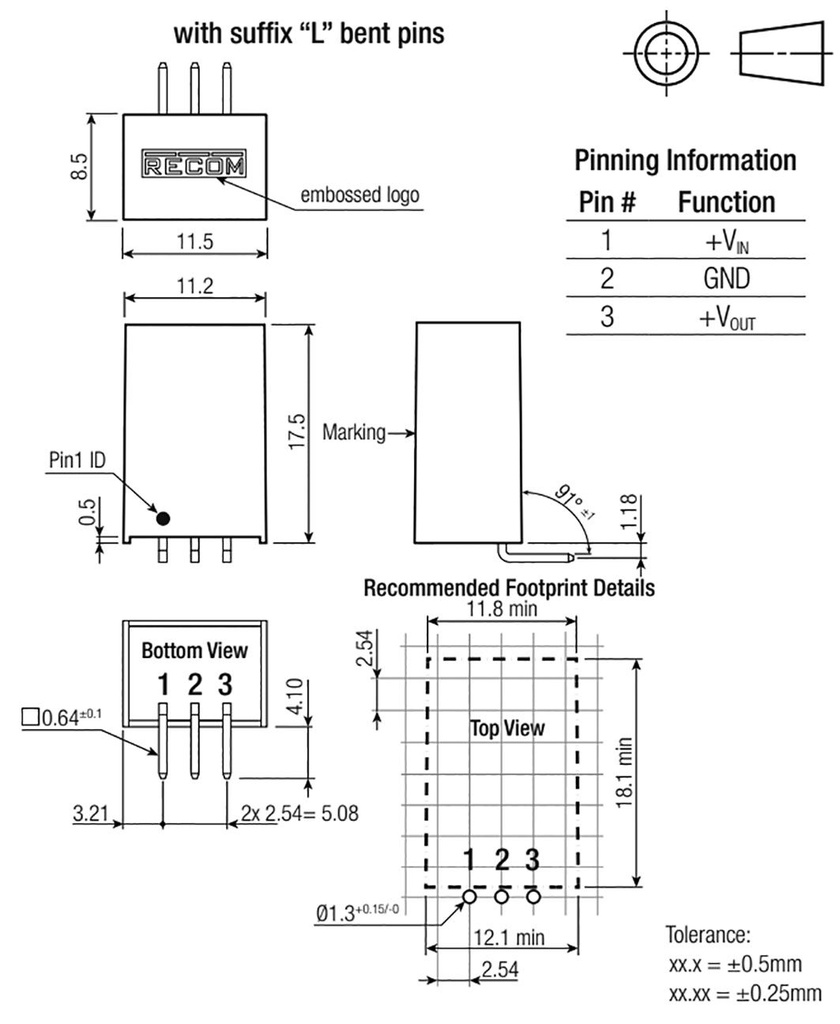
Converter: DC/DC; Uin: 4.5÷36V; Uout: 1.5VDC; Iout: 2A; SIP3; 4g; THT

Kordarv: 1.0
Minimum quantity: 1.0
Tootekood: R-78K1.5-2.0L
Tootja: RECOM
Tootja tootekood: R-78K1.5-2.0L
  • Output current
  • Mounting
  • Case
  • Operating temperature
  • Protection
  • Body dimensions
  • Output voltage
  • Input voltage
  • Efficiency
  • Number of outputs

6,69 € 6,69 € (KM-TA) 6.69 EUR

6,69 €

Seda kombinatsiooni ei eksisteeri.

Lisa ostukorvi

Product downloads

Spetsifikatsioon tootele Converter: DC/DC; Uin: 4.5÷36V; Uout: 1.5VDC; Iout: 2A; SIP3; 4g; THT

Output current 2A
Mounting THT
Case SIP3
Operating temperature -40...90°C
Protection short circuit protection
Body dimensions 11.5x8.5x17.5mm
Output voltage 1.5V DC
Input voltage 4.5...36V DC
Efficiency 82%
Number of outputs 1