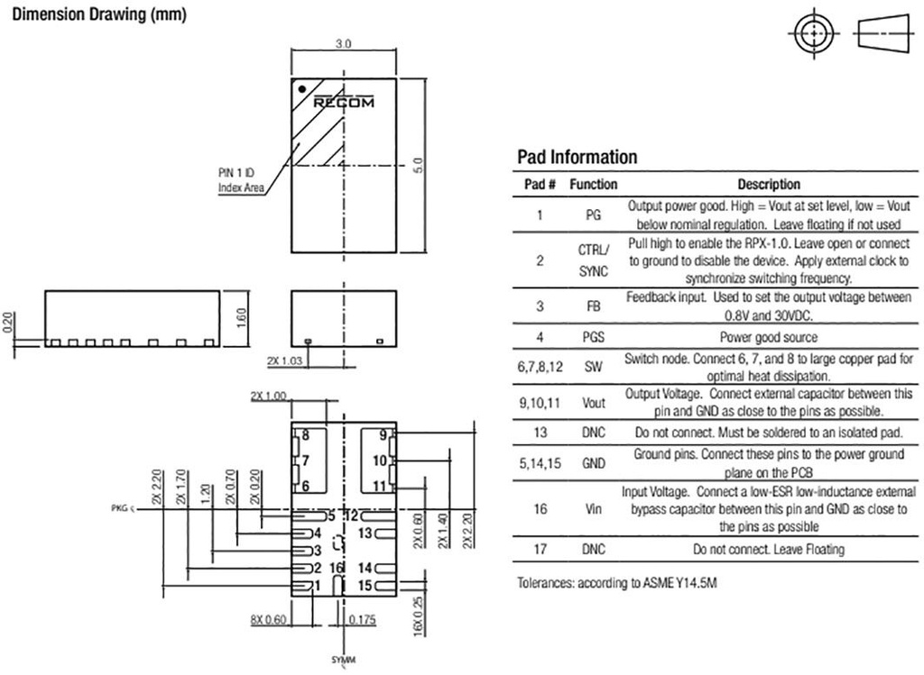
Converter: DC/DC; Uin: 4÷36V; Uout: 800mVDC÷30VDC; Iout: 1.5A; SMD

Kordarv: 1.0
Minimum quantity: 1.0
Tootekood: RPX-1.5-CT
Tootja: RECOM
Tootja tootekood: RPX-1.5-CT
  • Output current
  • Mounting
  • Operating temperature
  • Protection
  • Protection
  • Protection
  • Input voltage
  • Efficiency
  • Number of outputs

7,77 € 7,77 € (KM-TA) 7.7700000000000005 EUR

7,77 €

Seda kombinatsiooni ei eksisteeri.

Lisa ostukorvi

Product downloads

Spetsifikatsioon tootele Converter: DC/DC; Uin: 4÷36V; Uout: 800mVDC÷30VDC; Iout: 1.5A; SMD

Output current 1.5A
Mounting PCB
Operating temperature -40...125°C
Protection anti-overload, overheating, short circuit protection
Input voltage 4...36V DC
Efficiency 87%
Number of outputs 1