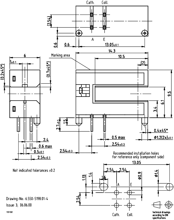
Sensor: photoelectric; through-beam (with slot); -25÷85°C

Kordarv: 1.0
Minimum quantity: 1.0
Tootekood: TCST5250
Tootja: VISHAY
Tootja tootekood: TCST5250
  • Mounting
  • Mounting
  • Operating temperature
  • Kind of output
  • Collector-emitter voltage
  • Wavelength
  • Type of sensor
  • Slot width
  • Operation mode
  • Kind of optocoupler
  • Aperture width

0,00 € 0,00 € (KM-TA) 0.0 EUR

0,00 €

Seda kombinatsiooni ei eksisteeri.

Lisa ostukorvi

Spetsifikatsioon tootele Sensor: photoelectric; through-beam (with slot); -25÷85°C

Mounting SMD, THT
Operating temperature -25...85°C
Kind of output transistor
Collector-emitter voltage 70V
Wavelength 950nm
Type of sensor optocoupler
Slot width 2.7mm
Operation mode through-beam (with slot)
Kind of optocoupler slotted with flag
Aperture width 500µm