Converter: DC/DC; 10W; Uin: 9÷36V; Uout: 5VDC; Uout2: -5VDC; 1"x1"

Kordarv: 1.0
Minimum quantity: 1.0
Tootekood: THL 10-2421WI
Tootja: TRACO POWER
Tootja tootekood: THL 10-2421WI
  • Output current
  • Mounting
  • Power
  • Operating temperature
  • Protection
  • Series
  • Body dimensions
  • Output voltage
  • Input voltage
  • Insulation voltage
  • Efficiency
  • Output current 2
  • Output voltage 2
  • Number of outputs
  • Switching frequency

40,04 € 40,04 € (KM-TA) 40.04 EUR

40,04 €

Seda kombinatsiooni ei eksisteeri.

Lisa ostukorvi

Product downloads

Spetsifikatsioon tootele Converter: DC/DC; 10W; Uin: 9÷36V; Uout: 5VDC; Uout2: -5VDC; 1"x1"

Output current 1A
Mounting THT
Power 10W
Operating temperature -40...75°C
Protection short circuit protection
Series THL 10WI
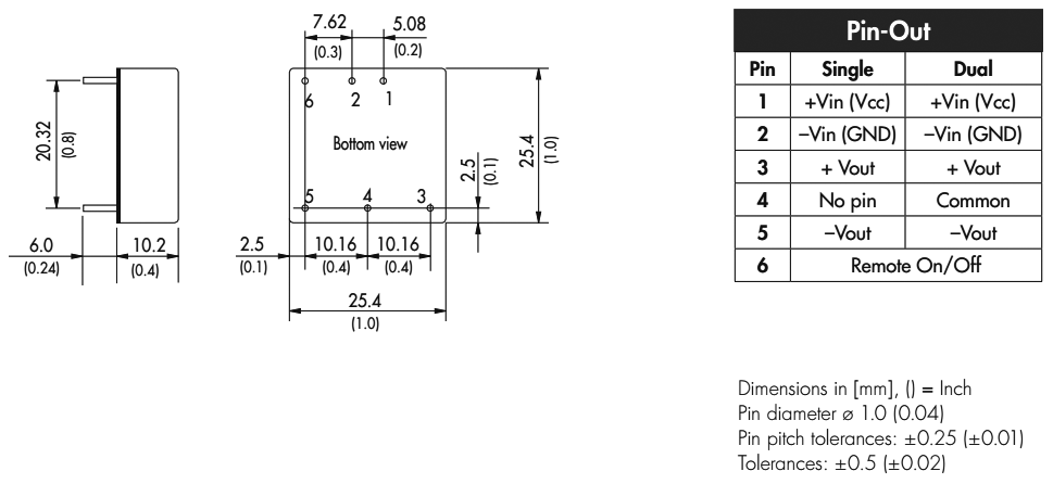
Body dimensions 25.4x25.4x10.2mm
Output voltage 5V DC
Input voltage 9...36V DC
Insulation voltage 1.5kV DC
Efficiency 84%
Output current 2 1A
Output voltage 2 -5V DC
Number of outputs 2
Switching frequency 400kHz