Converter: DC/DC; 9W; Uin: 18÷75V; Uout: 12VDC; Uout2: -12VDC; SIP8

Kordarv: 1.0
Minimum quantity: 1.0
Tootekood: TMR 9-4822WI
Tootja: TRACO POWER
Tootja tootekood: TMR 9-4822WI
  • Output current
  • Mounting
  • Case
  • Power
  • Operating temperature
  • Protection
  • Protection
  • Series
  • Body dimensions
  • Output voltage
  • Insulation voltage
  • Efficiency
  • Output current 2
  • Output voltage 2
  • Number of outputs
  • Switching frequency

48,33 € 48,33 € (KM-TA) 48.33 EUR

48,33 €

Seda kombinatsiooni ei eksisteeri.

Lisa ostukorvi

Product downloads

Spetsifikatsioon tootele Converter: DC/DC; 9W; Uin: 18÷75V; Uout: 12VDC; Uout2: -12VDC; SIP8

Output current 375mA
Mounting THT
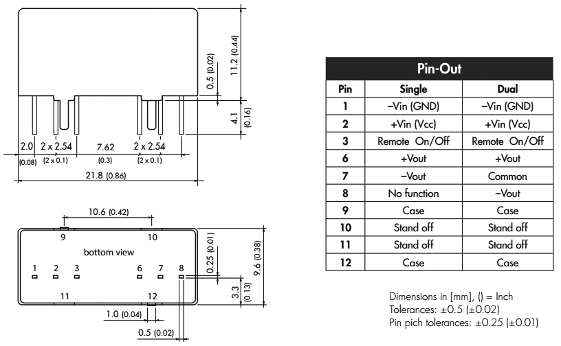
Case SIP8
Power 9W
Operating temperature -40...85°C
Protection anti-overload, short circuit protection
Series TMR 9WI
Body dimensions 21.8x11.2x9.6mm
Output voltage 12V DC
Insulation voltage 1.6kV
Efficiency 88%
Output current 2 375mA
Output voltage 2 -12V DC
Number of outputs 2
Switching frequency 400kHz