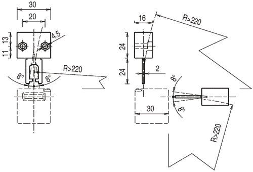
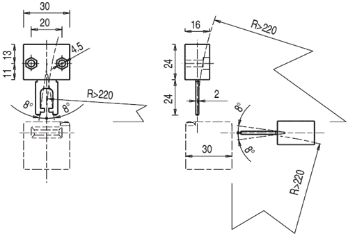
Safety switch accessories: flexible key; Series: FR
Kordarv:
1.0
Minimum quantity:
1.0
Tootekood:
VF KEYD2
Tootja: PIZZATO ELETTRICA
Tootja tootekood: VF KEYD2
Product downloads
Spetsifikatsioon tootele Safety switch accessories: flexible key; Series: FR
| Series | FR |
| Safety switches features | flex actuator in 4 directions, standard actuator |
| Type of safety switch accessories | flexible key |