Converter: AC/DC; 5W; 85÷265VAC; Usup: 100÷370VDC; Uout: 24VDC; 70%

Kordarv: 1.0
Minimum quantity: 1.0
Tootekood: ZP05S2400WB
Tootja: ZETTLER
Tootja tootekood: ZP05S2400WB
  • Output current
  • Mounting
  • Mounting
  • Power
  • Operating temperature
  • Output voltage
  • Insulation voltage
  • Efficiency
  • Number of outputs

5,88 € 5,88 € (KM-TA) 5.88 EUR

5,88 €

Seda kombinatsiooni ei eksisteeri.

Lisa ostukorvi

Product downloads

Spetsifikatsioon tootele Converter: AC/DC; 5W; 85÷265VAC; Usup: 100÷370VDC; Uout: 24VDC; 70%

Output current 210mA
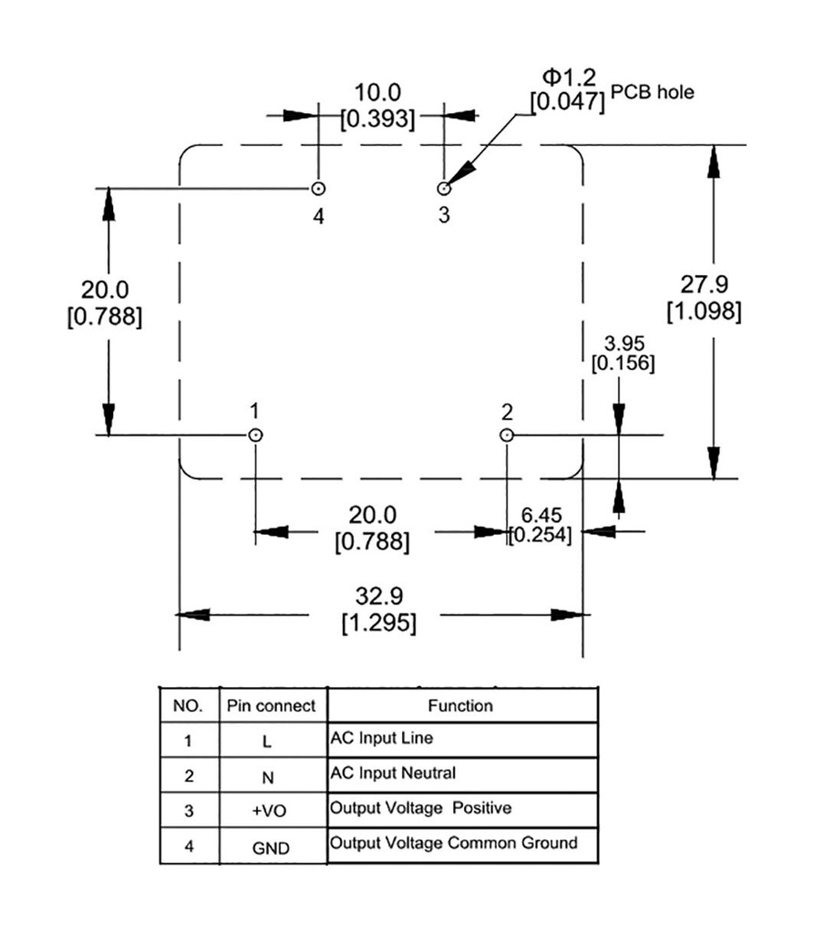
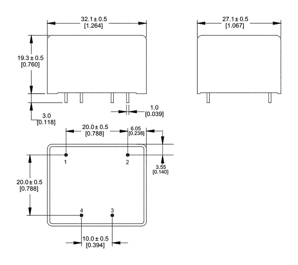
Mounting PCB, THT
Power 5W
Operating temperature -25...50°C
Output voltage 24V DC
Insulation voltage 3kV
Efficiency 70%
Number of outputs 1