Converter: DC/DC; 20W; Uin: 18÷75V; 12VDC; Iout: 1666mA; 2"x1"; 27g

Multiples: 1.0
Minimum quantity: 1.0
Product code: AM20EWM-4812SH50NZ
Manufacturer: AIMTEC
Manufacturer code: AM20EWM-4812SH50NZ
  • Case
  • Power
  • Operating temperature
  • Protection
  • Protection
  • Protection
  • Series
  • Body dimensions
  • Output voltage
  • Insulation voltage
  • Efficiency
  • Number of outputs

42.60 € 42.60 € (wo VAT) 42.6 EUR

42.60 €

This combination does not exist.

Add to Cart

Product downloads

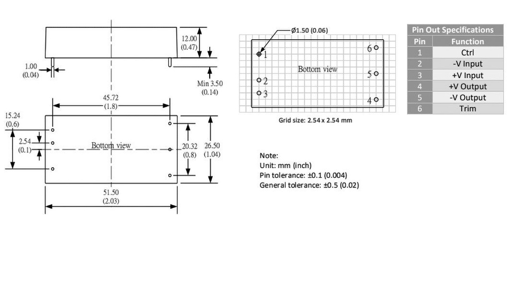
Specification for Converter: DC/DC; 20W; Uin: 18÷75V; 12VDC; Iout: 1666mA; 2"x1"; 27g

Case 2"x1"
Power 20W
Operating temperature -40...85°C
Protection anti-overload, anti-overvoltage, short circuit protection
Series AM20EWM-NZ
Body dimensions 51.5x26.5x12mm
Output voltage 12V DC
Insulation voltage 5kV DC
Efficiency 87%
Number of outputs 1