Microswitch SNAP ACTION; with lever with roller simulation

Multiples: 1.0
Minimum quantity: 3.0
Product code: DM1-02P-30-3-1
Manufacturer: CANAL ELECTRONIC
Manufacturer code: DM1-02P-30-3
  • Operating temperature
  • IP rating
  • Type of switch
  • Switches features
  • Number of positions
  • Leads
  • Leads
  • Contact material
  • Max. contact resistance:
  • Terminal pitch
  • Body dimensions
  • Mechanical durability
  • Electrical life
  • Terminals plating
  • Contacts configuration
  • AC contacts rating @R
  • Switching method
  • Stable positions number
  • Operating Force
  • Lever length
  • Terminals material

1.48 € 1.48 € (wo VAT) 1.48 EUR

1.48 €

This combination does not exist.

Add to Cart

Product downloads

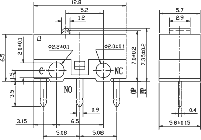
Specification for Microswitch SNAP ACTION; with lever with roller simulation

Operating temperature -25...65°C
IP rating IP40
Type of switch microswitch SNAP ACTION
Switches features with lever with roller simulation
Number of positions 2
Leads for PCB, straight
Contact material silver alloy
Max. contact resistance: 50mΩ
Terminal pitch 5.08mm
Body dimensions 12.8x5.8x6.5mm
Mechanical durability 1000000cycles
Electrical life 30000cycles
Terminals plating silver plated
Contacts configuration SPDT
AC contacts rating @R 1A / 125V AC
Switching method ON-(ON)
Stable positions number 1
Operating Force 700mN
Lever length 14mm
Terminals material nickel