Power supply: switched-mode; 120W; 120÷370VDC; 85÷264VAC; OUT: 1

Multiples: 1.0
Minimum quantity: 1.0
Product code: EPS-120-15
Manufacturer: MEAN WELL
Manufacturer code: EPS-120-15
  • Output current
  • Supply voltage
  • Supply voltage
  • Operating temperature
  • Protection
  • Protection
  • Protection
  • Protection
  • Type of power supply
  • Series
  • Body dimensions
  • Output voltage
  • Efficiency
  • Number of outputs
  • Electrical connection
  • Kind of power supply

22.75 € 22.75 € (wo VAT) 22.75 EUR

22.75 €

This combination does not exist.

Add to Cart

Product downloads

Specification for Power supply: switched-mode; 120W; 120÷370VDC; 85÷264VAC; OUT: 1

Output current 8A
Supply voltage 85...264V AC, 120...370V DC
Operating temperature -30...70°C
Protection overheating, anti-overload, anti-overvoltage, short circuit protection
Type of power supply switched-mode
Series EPS-120
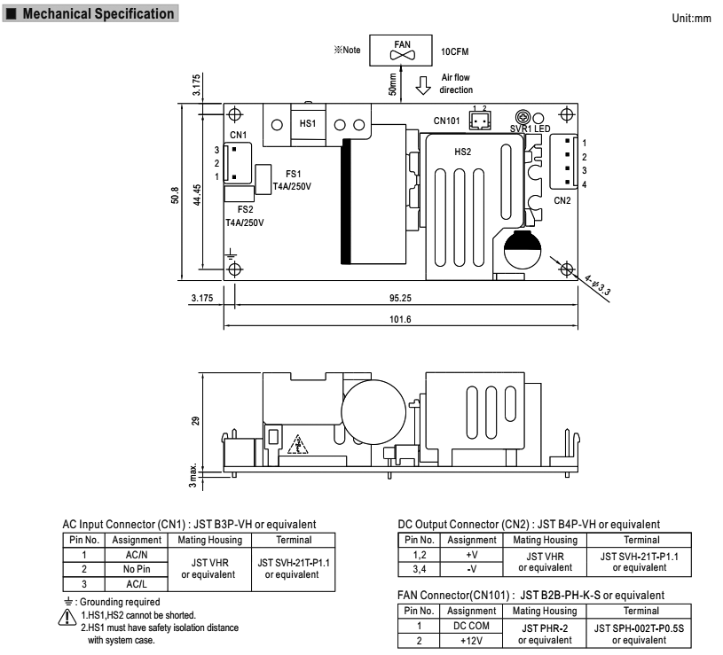
Body dimensions 101.6x50.8x29mm
Output voltage 15V DC
Efficiency 88.5%
Number of outputs 1
Electrical connection plug with 3,96mm pitch
Kind of power supply open