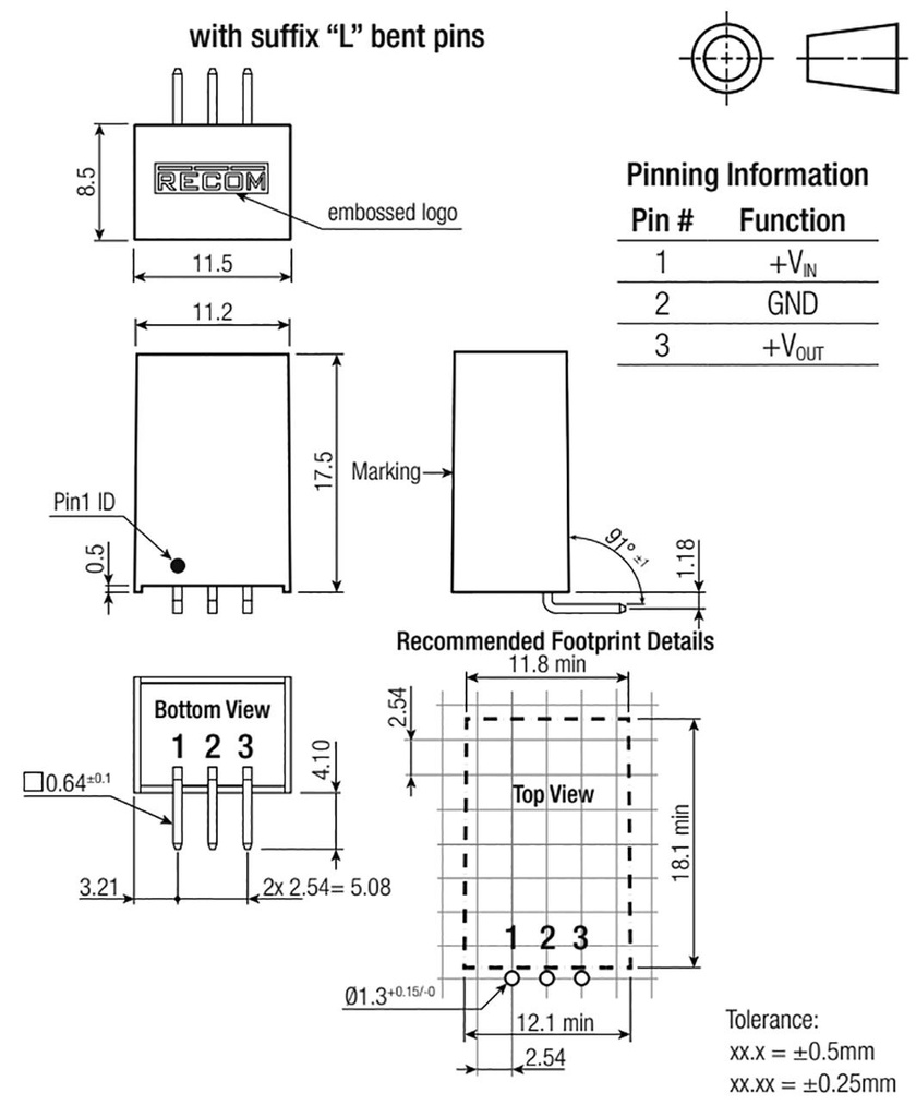
Converter: DC/DC; Uin: 4.5÷36V; Uout: 3.3VDC; Iout: 2A; SIP3; 4g; THT

Multiples: 1.0
Minimum quantity: 1.0
Product code: R-78K3.3-2.0L
Manufacturer: RECOM
Manufacturer code: R-78K3.3-2.0L
  • Output current
  • Mounting
  • Case
  • Operating temperature
  • Protection
  • Body dimensions
  • Output voltage
  • Input voltage
  • Efficiency
  • Number of outputs

6.57 € 6.57 € (wo VAT) 6.57 EUR

6.57 €

This combination does not exist.

Add to Cart

Product downloads

Specification for Converter: DC/DC; Uin: 4.5÷36V; Uout: 3.3VDC; Iout: 2A; SIP3; 4g; THT

Output current 2A
Mounting THT
Case SIP3
Operating temperature -40...90°C
Protection short circuit protection
Body dimensions 11.5x8.5x17.5mm
Output voltage 3.3V DC
Input voltage 4.5...36V DC
Efficiency 85%
Number of outputs 1