Power supply: switched-mode; LED; 4W; 3÷12VDC; 350mA; 90÷264VAC

Multiples: 1.0
Minimum quantity: 1.0
Product code: RACD04-350
Manufacturer: RECOM
Manufacturer code: RACD04-350
  • Output current
  • Supply voltage
  • Power
  • Operating temperature
  • IP rating
  • Protection
  • Protection
  • Protection
  • Protection
  • Type of power supply
  • Series
  • Application
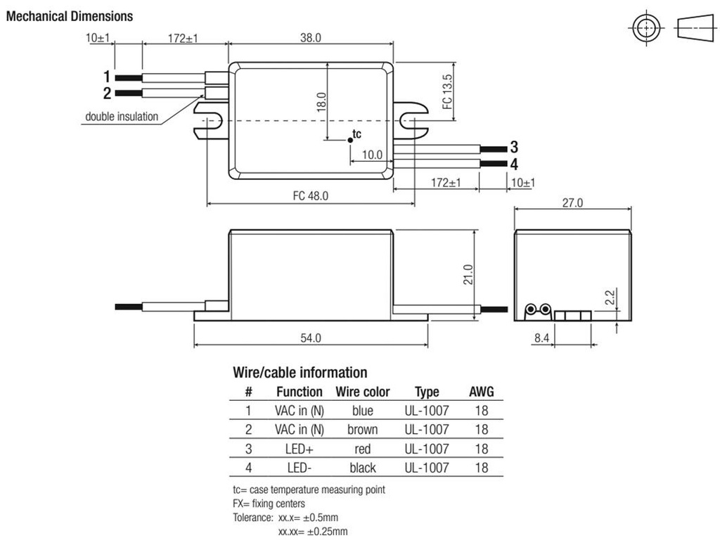
  • Body dimensions
  • Output voltage
  • Efficiency
  • Electrical connection

9.95 € 9.95 € (wo VAT) 9.950000000000001 EUR

9.95 €

This combination does not exist.

Add to Cart

Product downloads

Specification for Power supply: switched-mode; LED; 4W; 3÷12VDC; 350mA; 90÷264VAC

Output current 350mA
Supply voltage 90...264V AC
Power 4W
Operating temperature -20...50°C
IP rating IP65
Protection overheating, anti-overload, anti-overvoltage, short circuit protection
Type of power supply switched-mode
Series RACD04
Application LED
Body dimensions 38x27x21mm
Output voltage 3...12V DC
Efficiency 77%
Electrical connection wires