Converter: DC/DC; 9W; Uin: 9÷18V; Uout: 5VDC; Uout2: -5VDC; SIP8; 5.9g

Multiples: 1.0
Minimum quantity: 1.0
Product code: TMR 9-1221
Manufacturer: TRACO POWER
Manufacturer code: TMR 9-1221
  • Output current
  • Mounting
  • Case
  • Power
  • Operating temperature
  • Protection
  • Protection
  • Series
  • Body dimensions
  • Output voltage
  • Insulation voltage
  • Efficiency
  • Output current 2
  • Output voltage 2
  • Number of outputs
  • Switching frequency

40.40 € 40.40 € (wo VAT) 40.4 EUR

40.40 €

This combination does not exist.

Add to Cart

Product downloads

Specification for Converter: DC/DC; 9W; Uin: 9÷18V; Uout: 5VDC; Uout2: -5VDC; SIP8; 5.9g

Output current 800mA
Mounting THT
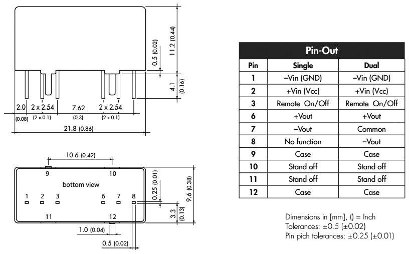
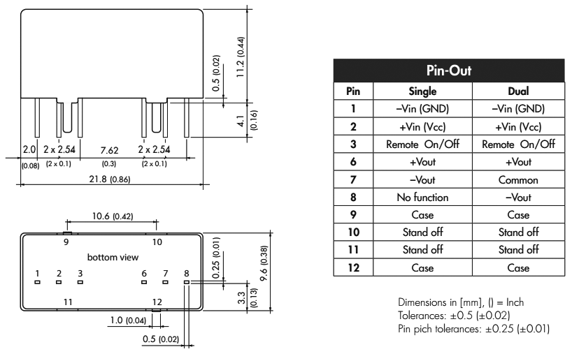
Case SIP8
Power 9W
Operating temperature -40...85°C
Protection anti-overload, short circuit protection
Series TMR9
Body dimensions 21.8x11.2x9.6mm
Output voltage 5V DC
Insulation voltage 1.6kV
Efficiency 85%
Output current 2 800mA
Output voltage 2 -5V DC
Number of outputs 2
Switching frequency 400kHz