Relay: electromagnetic; SPST-NO; Ucoil: 240VAC; 30A; Series: T9C

Kordarv: 1.0
Minimum quantity: 1.0
Tootekood: 1649341-2
Tootja: TE Connectivity
Tootja tootekood: 1649341-2
  • Mounting
  • Operating temperature
  • Contact material
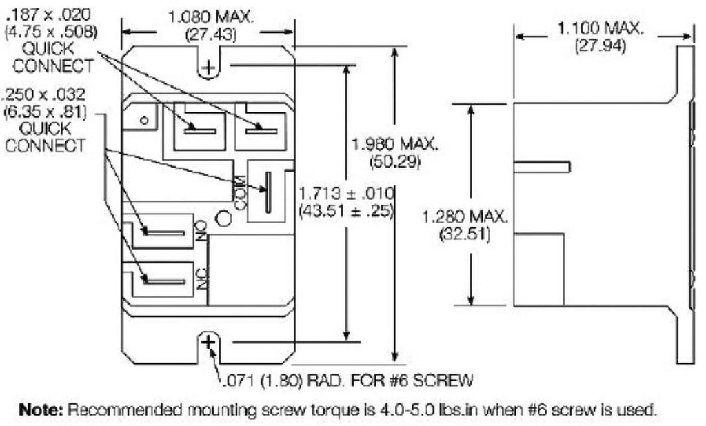
  • Body dimensions
  • Switched voltage
  • Coil resistance
  • Contacts configuration
  • AC contacts rating @R
  • Contact current max.
  • Relay variant
  • Type of relay
  • Operate time
  • Release time

11,10 € 11,10 € (KM-TA) 11.1 EUR

11,10 €

Seda kombinatsiooni ei eksisteeri.

Lisa ostukorvi

Spetsifikatsioon tootele Relay: electromagnetic; SPST-NO; Ucoil: 240VAC; 30A; Series: T9C

Mounting on panel
Operating temperature -40...85°C
Contact material AgSnInO
Body dimensions 50.3x27.4x27.9mm
Switched voltage ≤ 277V AC
Coil resistance 11.5kΩ
Contacts configuration SPST-NO
AC contacts rating @R 30A / 250V AC
Contact current max. 30A
Relay variant power
Type of relay electromagnetic
Operate time 15ms
Release time 15ms