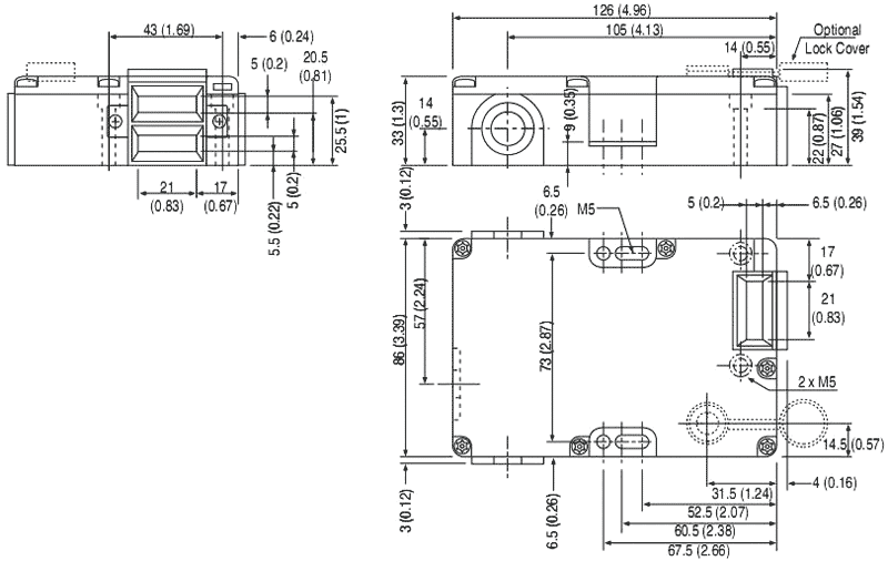
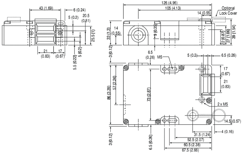
Safety switch: bolting; Series: TLS2-GD2; Contacts: NC x2; IP66

Kordarv: 1.0
Minimum quantity: 1.0
Tootekood: 440G-T27127
Tootja: GUARD MASTER
Tootja tootekood: 440G-T27127
  • Supply voltage
  • Supply voltage
  • Operating temperature
  • IP rating
  • Colour
  • Series
  • Body material
  • Mechanical durability
  • Electrical connection
  • Integrated auxiliary contacts
  • Contacts configuration
  • Type of safety switch
  • Number of key entry slots
  • Safety switches features
  • Safety switches features
  • Force N

305,89 € 305,89 € (KM-TA) 305.89 EUR

305,89 €

Seda kombinatsiooni ei eksisteeri.

Lisa ostukorvi

Product downloads

Spetsifikatsioon tootele Safety switch: bolting; Series: TLS2-GD2; Contacts: NC x2; IP66

Supply voltage 24V AC, 24V DC
Operating temperature -20...60°C
IP rating IP66
Colour red
Series TLS2-GD2
Body material plastic
Mechanical durability 1000000cycles
Electrical connection 3x M20
Integrated auxiliary contacts NO
Contacts configuration NC x2
Type of safety switch bolting
Number of key entry slots 4
Safety switches features no key, power to lock
Force N 2kN