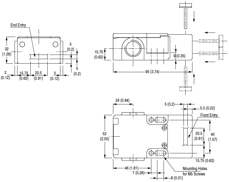
Safety switch: key operated; Series: TROJAN5; Contacts: NC x2

Kordarv: 1.0
Minimum quantity: 1.0
Tootekood: 440K-T11089
Tootja: GUARD MASTER
Tootja tootekood: 440K-T11089
  • Operating temperature
  • IP rating
  • Colour
  • Series
  • Body material
  • Mechanical durability
  • Electrical connection
  • Integrated auxiliary contacts
  • Contacts configuration
  • Type of safety switch
  • Number of key entry slots
  • Safety switches features

66,01 € 66,01 € (KM-TA) 66.01 EUR

66,01 €

Seda kombinatsiooni ei eksisteeri.

Lisa ostukorvi

Product downloads

Spetsifikatsioon tootele Safety switch: key operated; Series: TROJAN5; Contacts: NC x2

Operating temperature -20...80°C
IP rating IP67
Colour red
Series TROJAN5
Body material PBT
Mechanical durability 1000000cycles
Electrical connection 3x M20
Integrated auxiliary contacts NO
Contacts configuration NC x2
Type of safety switch key operated
Number of key entry slots 8
Safety switches features no key