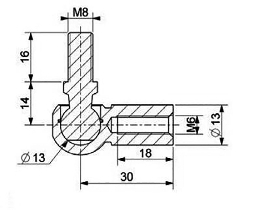
Mounting element for gas spring; Mat: zinc plated steel; 13mm

Kordarv: 1.0
Minimum quantity: 1.0
Tootekood: 92220-13E
Tootja: PNEUMAT
Tootja tootekood: 92220-13E
  • Fastening thread
  • Body material
  • Hole diameter

16,21 € 16,21 € (KM-TA) 16.21 EUR

16,21 €

Seda kombinatsiooni ei eksisteeri.

Lisa ostukorvi

Spetsifikatsioon tootele Mounting element for gas spring; Mat: zinc plated steel; 13mm

Fastening thread M6
Body material zinc plated steel
Hole diameter 13mm