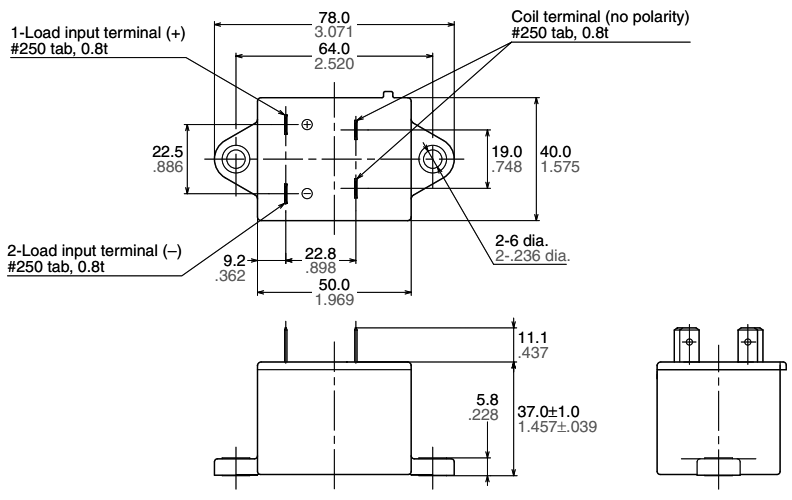
Relay: electromagnetic; SPST-NO; Ucoil: 12VDC; Icontacts max: 20A

Kordarv: 1.0
Minimum quantity: 1.0
Tootekood: AEP52012
Tootja: PANASONIC
Tootja tootekood: AEP52012
  • Mounting
  • Operating temperature
  • Body dimensions
  • Mechanical durability
  • Switched voltage
  • Rated coil voltage
  • Contacts configuration
  • DC contacts rating @R
  • Contact current max.
  • Relay variant
  • Type of relay
  • Coil voltage min.
  • Coil power consumption
  • Coil current

65,00 € 65,00 € (KM-TA) 65.0 EUR

65,00 €

Seda kombinatsiooni ei eksisteeri.

Lisa ostukorvi

Product downloads

Spetsifikatsioon tootele Relay: electromagnetic; SPST-NO; Ucoil: 12VDC; Icontacts max: 20A

Mounting on panel
Operating temperature -40...80°C
Body dimensions 78x40x37mm
Mechanical durability 100000cycles
Switched voltage ≤ 1kV DC
Rated coil voltage 12V DC
Contacts configuration SPST-NO
DC contacts rating @R 20A / 400V DC
Contact current max. 20A
Relay variant power
Type of relay electromagnetic
Coil voltage min. 9V DC
Coil power consumption 3.9W
Coil current 327mA