AC/DC PCB Mount Power Supply (PSU), ITE, 1 Output, 60 W, 12 V, 5 A

Kordarv: 1.0
Minimum quantity: 1.0
Tootekood: AME60-12SVZ
Tootja: AIMTEC
Tootja tootekood: AME60-12SVZ
  • Output current
  • Mounting
  • Power
  • Operating temperature
  • Protection
  • Protection
  • Protection
  • Series
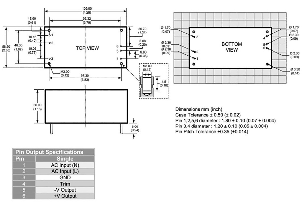
  • Body dimensions
  • Output voltage
  • Insulation voltage
  • Efficiency

0,00 € 0,00 € (KM-TA) 0.0 EUR

0,00 €

Seda kombinatsiooni ei eksisteeri.

Lisa ostukorvi

Product downloads

Spetsifikatsioon tootele AC/DC PCB Mount Power Supply (PSU), ITE, 1 Output, 60 W, 12 V, 5 A

Output current 5A
Mounting PCB
Power 60W
Operating temperature -40...70°C
Protection anti-overload, anti-overvoltage, short circuit protection
Series AME
Body dimensions 109x58.5x30mm
Output voltage 12V DC
Insulation voltage 4kV
Efficiency 86%