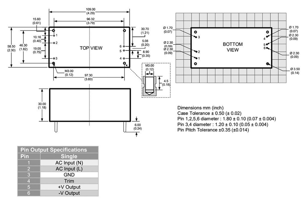
Converter: AC/DC; 60W; Uout: 48VDC; Iout: 1.25A; 86%; Mounting: PCB

Kordarv: 1.0
Minimum quantity: 1.0
Tootekood: AME60-48SVZ
Tootja: AIMTEC
Tootja tootekood: AME60-48SVZ
  • Output current
  • Mounting
  • Power
  • Operating temperature
  • Protection
  • Protection
  • Protection
  • Series
  • Body dimensions
  • Output voltage
  • Insulation voltage
  • Efficiency

26,82 € 26,82 € (KM-TA) 26.82 EUR

26,82 €

Seda kombinatsiooni ei eksisteeri.

Lisa ostukorvi

Product downloads

Spetsifikatsioon tootele Converter: AC/DC; 60W; Uout: 48VDC; Iout: 1.25A; 86%; Mounting: PCB

Output current 1.25A
Mounting PCB
Power 60W
Operating temperature -40...70°C
Protection anti-overload, anti-overvoltage, short circuit protection
Series AME
Body dimensions 109x58.5x30mm
Output voltage 48V DC
Insulation voltage 4kV
Efficiency 86%