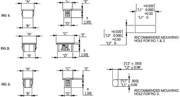
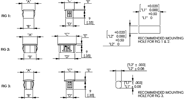
Stopper; polyamide; black; UL94V-2; Panel thick: 1.4÷3.5mm; C: 12mm

Kordarv: 20.0
Minimum quantity: 20.0
Tootekood: BPE-SC-3-01 BLACK
Tootja: RICHCO
Tootja tootekood: BPE-SC-3-01 BLACK
  • Operating temperature
  • Colour
  • Material
  • Flammability rating
  • D dimension
  • Panel thickness
  • B dimension
  • Type of mounting element
  • A dimension
  • C dimension
  • E dimension

0,36 € 0,36 € (KM-TA) 0.36 EUR

0,36 €

Seda kombinatsiooni ei eksisteeri.

Lisa ostukorvi

Product downloads

Spetsifikatsioon tootele Stopper; polyamide; black; UL94V-2; Panel thick: 1.4÷3.5mm; C: 12mm

Operating temperature -40...85°C
Colour black
Material polyamide
Flammability rating UL94V-2
D dimension 9.3mm
Panel thickness 1.4...3.5mm
B dimension 25.8mm
Type of mounting element stopper
A dimension 34.7mm
C dimension 12mm
E dimension 1.5mm