Converter: DC/DC; 20W; Uin: 8.5÷160V; Uout: 15VDC; Uout2: -15VDC
Kordarv:
1.0
Minimum quantity:
1.0
Tootekood:
EC7BW18-72D15
Tootja: CINCON
Tootja tootekood: EC7BW18-72D15
Product downloads
Spetsifikatsioon tootele Converter: DC/DC; 20W; Uin: 8.5÷160V; Uout: 15VDC; Uout2: -15VDC
| Output current | 667mA |
| Mounting | THT |
| Power | 20W |
| Operating temperature | -40...85°C |
| Protection | anti-overload, over current, short circuit protection, voltage drop |
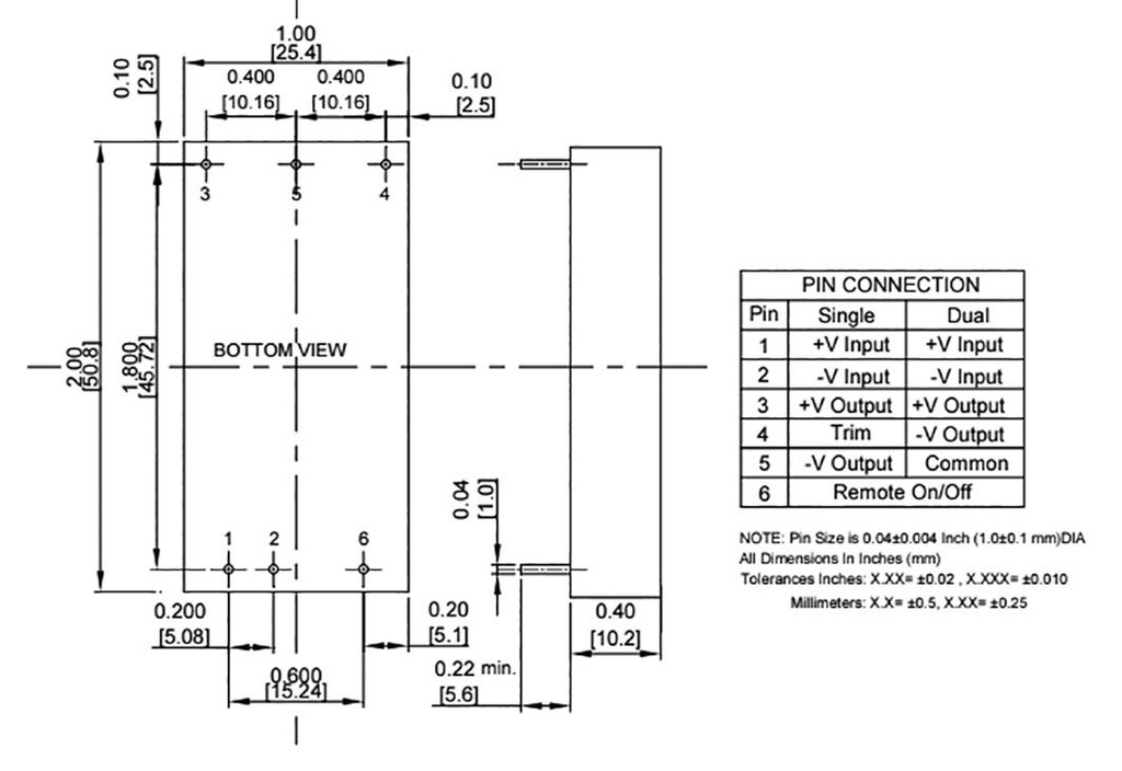
| Body dimensions | 50.8x25.4x10.2mm |
| Output voltage | 15V DC |
| Insulation voltage | 3kV DC |
| Efficiency | 88% |
| Output voltage 2 | -15V DC |
| Number of outputs | 2 |
| Conform to the norm | EN 50155 |
| Switching frequency | 200kHz |