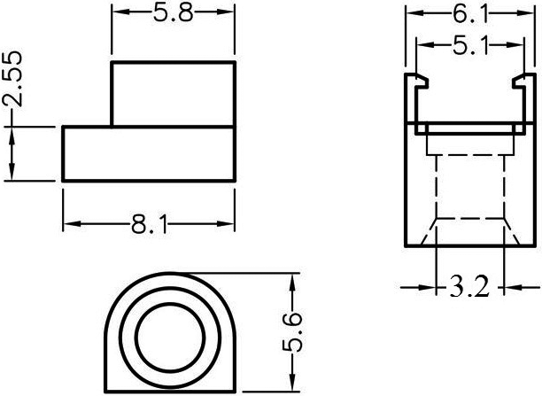
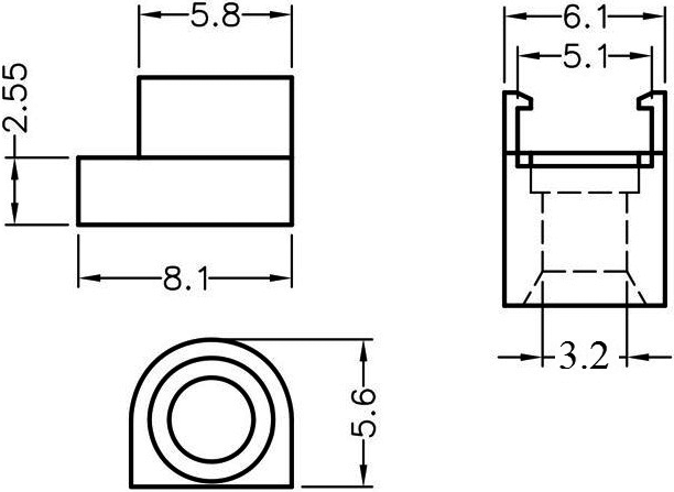
LED housing; 3mm; polyamide; angular; black; UL94V-2; H: 5.6mm

Kordarv: 10.0
Minimum quantity: 10.0
Tootekood: FIX-LED-321 -AS
Tootja: FIX&FASTEN
Tootja tootekood: FIX-LED-321 -AS
  • Colour
  • Material
  • Flammability rating
  • Width
  • Height
  • Number of diodes
  • LED diameter
  • Type of LED accessories
  • Kind of LED holder
  • Hole diameter

0,12 € 0,12 € (KM-TA) 0.12 EUR

0,12 €

Seda kombinatsiooni ei eksisteeri.

Lisa ostukorvi

Spetsifikatsioon tootele LED housing; 3mm; polyamide; angular; black; UL94V-2; H: 5.6mm

Colour black
Material polyamide
Flammability rating UL94V-2
Width 6.1mm
Height 5.6mm
Number of diodes 1
LED diameter 3mm
Type of LED accessories LED housing
Kind of LED holder angular
Hole diameter 3.2mm