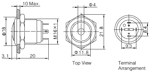
Switch: vandal resistant; Pos: 2; SPST-NO; 2A/36VDC; IP65; OFF-(ON)

Kordarv: 1.0
Minimum quantity: 1.0
Tootekood: GQ16B-10D/J/R/12V/A
Tootja: ONPOW
Tootja tootekood: GQ16B-10D/J/R/12V/A
  • Operating temperature
  • IP rating
  • Type of switch
  • Number of positions
  • Leads
  • Body material
  • Mounting hole diameter
  • Body colour
  • Mechanical durability
  • Backlight colour
  • Illumination
  • Illumination
  • Electrical life
  • Contacts configuration
  • DC contacts rating @R
  • Switching method
  • Stable positions number
  • Operating Force
  • Button shape
  • Illumination voltage
  • Ring shape

7,02 € 7,02 € (KM-TA) 7.0200000000000005 EUR

7,02 €

Seda kombinatsiooni ei eksisteeri.

Lisa ostukorvi

Product downloads

Spetsifikatsioon tootele Switch: vandal resistant; Pos: 2; SPST-NO; 2A/36VDC; IP65; OFF-(ON)

Operating temperature -20...55°C
IP rating IP65
Type of switch vandal resistant
Number of positions 2
Leads for soldering
Body material aluminium
Mounting hole diameter Ø16mm
Body colour black
Mechanical durability 1000000cycles
Backlight colour red
Illumination point, LED
Electrical life 200000cycles
Contacts configuration SPST-NO
DC contacts rating @R 2A / 36V DC
Switching method OFF-(ON)
Stable positions number 1
Operating Force 4N
Button shape convex
Illumination voltage 12V
Ring shape rounded