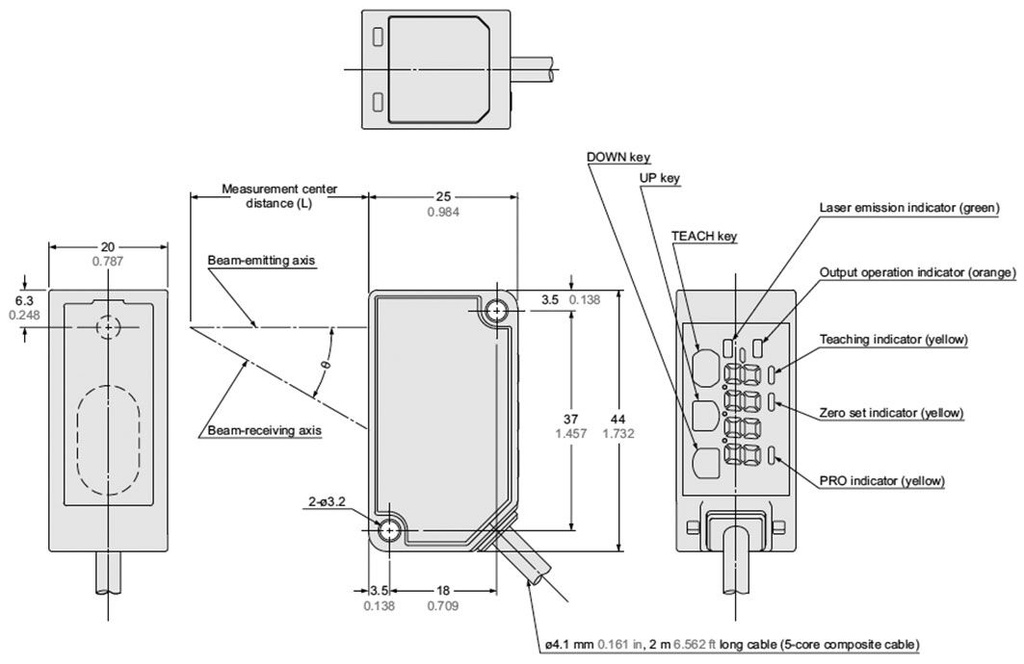
Sensor: distance; laser; diffuse-reflective; Range: 30mm; PNP; IP67

Kordarv: 1.0
Minimum quantity: 1.0
Tootekood: HG-C1030-P
Tootja: PANASONIC
Tootja tootekood: HG-C1030-P
  • Supply voltage
  • Max. operating current
  • Operating temperature
  • IP rating
  • Body material
  • Body dimensions
  • Range
  • Output configuration
  • Kind of sensor
  • Type of sensor
  • Sensors features
  • Response time
  • Operation mode
  • Operation modes
  • Operation modes

511,13 € 511,13 € (KM-TA) 511.13 EUR

511,13 €

Seda kombinatsiooni ei eksisteeri.

Lisa ostukorvi

Product downloads

Spetsifikatsioon tootele Sensor: distance; laser; diffuse-reflective; Range: 30mm; PNP; IP67

Supply voltage 12...24V DC
Max. operating current 50mA
Operating temperature -10...45°C
IP rating IP67
Body material aluminium
Body dimensions 44x25x20mm
Range 30mm
Output configuration PNP
Kind of sensor laser
Type of sensor distance
Sensors features programmable
Response time 1.5...10ms
Operation mode diffuse-reflective
Operation modes DARK-ON, LIGHT-ON