Converter: DC/DC; 22W; Uin: 9÷36V; Uout: 2÷32VDC; Iin: 700mA; 4g; IP67

Kordarv: 1.0
Minimum quantity: 1.0
Tootekood: LDD-700L
Tootja: MEAN WELL
Tootja tootekood: LDD-700L
  • Output current
  • Mounting
  • Power
  • Operating temperature
  • IP rating
  • Protection
  • Protection
  • Series
  • Application
  • Body dimensions
  • Output voltage
  • Input voltage
  • Additional functions
  • Efficiency
  • Number of outputs
  • Input current

3,72 € 3,72 € (KM-TA) 3.72 EUR

3,72 €

Seda kombinatsiooni ei eksisteeri.

Lisa ostukorvi

Product downloads

Spetsifikatsioon tootele Converter: DC/DC; 22W; Uin: 9÷36V; Uout: 2÷32VDC; Iin: 700mA; 4g; IP67

Output current 700mA
Mounting THT
Power 22W
Operating temperature -40...85°C
IP rating IP67
Protection overheating, short circuit protection
Series LDD
Application LED
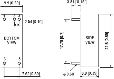
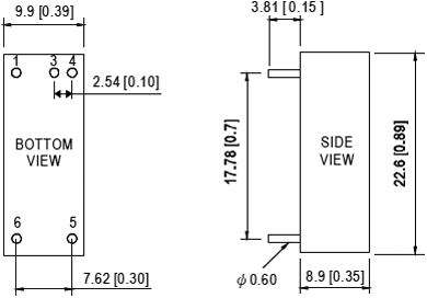
Body dimensions 22.6x9.9x8.9mm
Output voltage 2...32V DC
Input voltage 9...36V DC
Additional functions PWM controlled dimming function
Efficiency 95%
Number of outputs 1
Input current 700mA