Signallers accessories: control module; Usup: 20÷30VDC; IP20

Kordarv: 1.0
Minimum quantity: 1.0
Tootekood: MA-03
Tootja: W2
Tootja tootekood: MA-03
  • Mounting
  • Supply voltage
  • Operating temperature
  • IP rating
  • Series
  • Application
  • Body material
  • Body dimensions
  • Supply current
  • Number of outputs
  • Type of signallers accessories
  • Max cable section
  • Kind of output 1
  • Kind of output 1

10,20 € 10,20 € (KM-TA) 10.200000000000001 EUR

10,20 €

Seda kombinatsiooni ei eksisteeri.

Lisa ostukorvi

Product downloads

Spetsifikatsioon tootele Signallers accessories: control module; Usup: 20÷30VDC; IP20

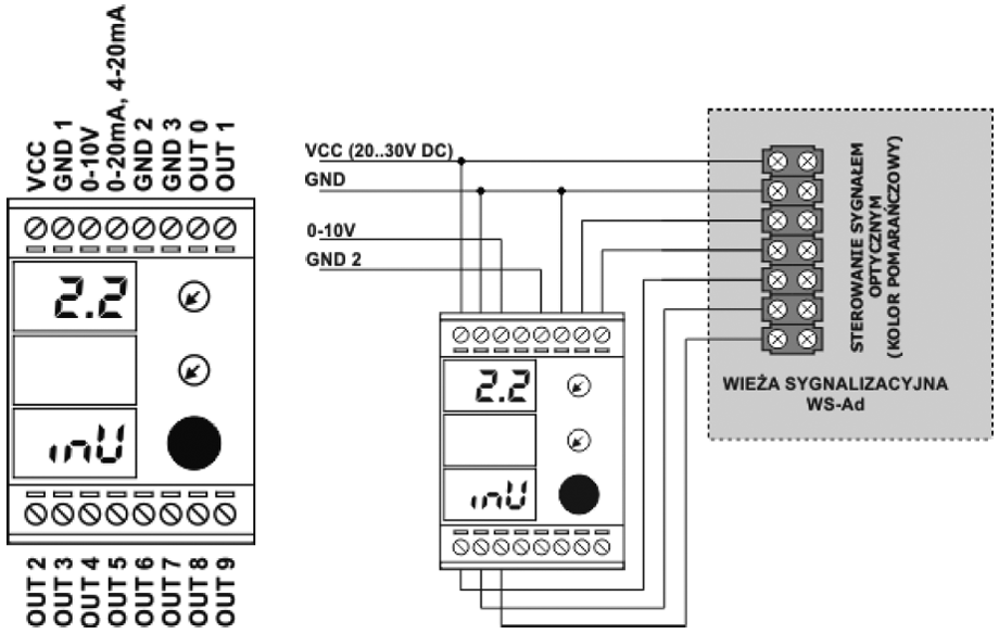
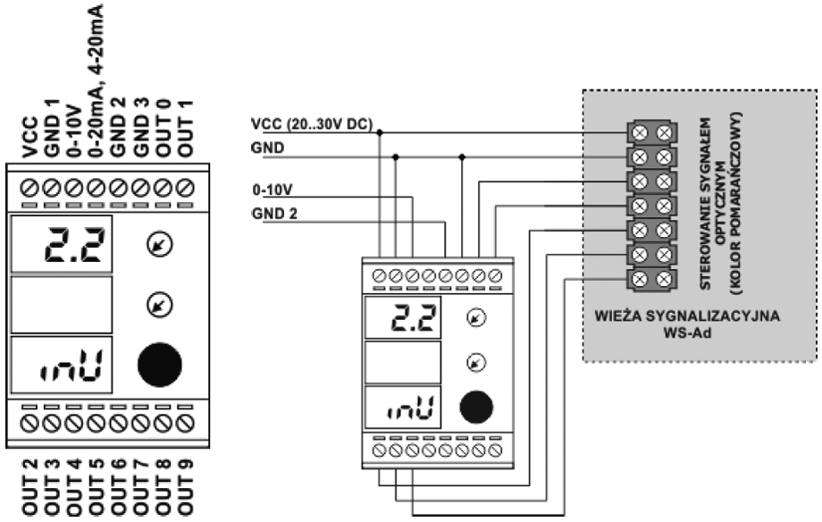
Mounting for DIN rail mounting
Supply voltage 20...30V DC
Operating temperature -25...55°C
IP rating IP20
Series MA
Application signalling column
Body material ABS
Body dimensions 50x75x45mm
Supply current 60mA
Number of outputs 10
Type of signallers accessories control module
Max cable section 2.5mm<sup>2</sup>
Kind of output 1 OC, transistor