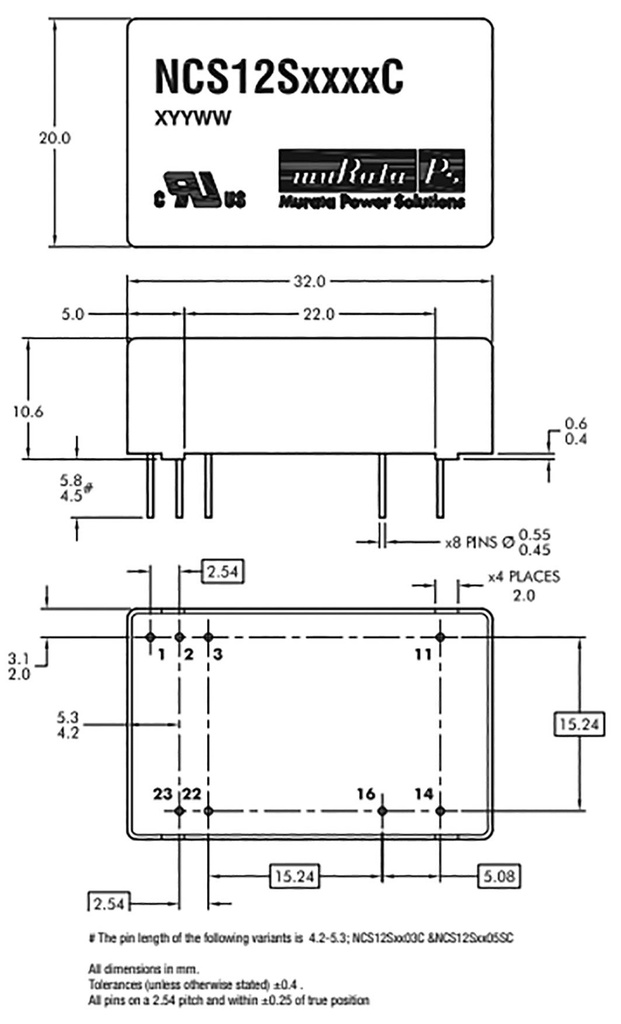
Converter: DC/DC; 12W; Uin: 18÷75V; Uout: 5VDC; Iout: 2.4A; DIP; 17g

Kordarv: 1.0
Minimum quantity: 1.0
Tootekood: NCS12S4805C
Tootja: MURATA POWER SOLUTIONS
Tootja tootekood: NCS12S4805C
  • Output current
  • Mounting
  • Case
  • Power
  • Operating temperature
  • Output voltage
  • Insulation voltage
  • Efficiency
  • Number of outputs

34,13 € 34,13 € (KM-TA) 34.13 EUR

34,13 €

Seda kombinatsiooni ei eksisteeri.

Lisa ostukorvi

Product downloads

Spetsifikatsioon tootele Converter: DC/DC; 12W; Uin: 18÷75V; Uout: 5VDC; Iout: 2.4A; DIP; 17g

Output current 2.4A
Mounting THT
Case DIP
Power 12W
Operating temperature -40...85°C
Output voltage 5V DC
Insulation voltage 1.5kV DC
Efficiency 87.5%
Number of outputs 1