Converter: DC/DC; 12W; Uin: 15÷42V; Uout: 12VDC; Iout: 1A; SMD; 4.5g

Kordarv: 1.0
Minimum quantity: 1.0
Tootekood: R-78T12-1.0/FCTRAY
Tootja: RECOM
Tootja tootekood: R-78T12-1.0/FC-TRAY
  • Output current
  • Mounting
  • Case
  • Power
  • Operating temperature
  • Protection
  • Series
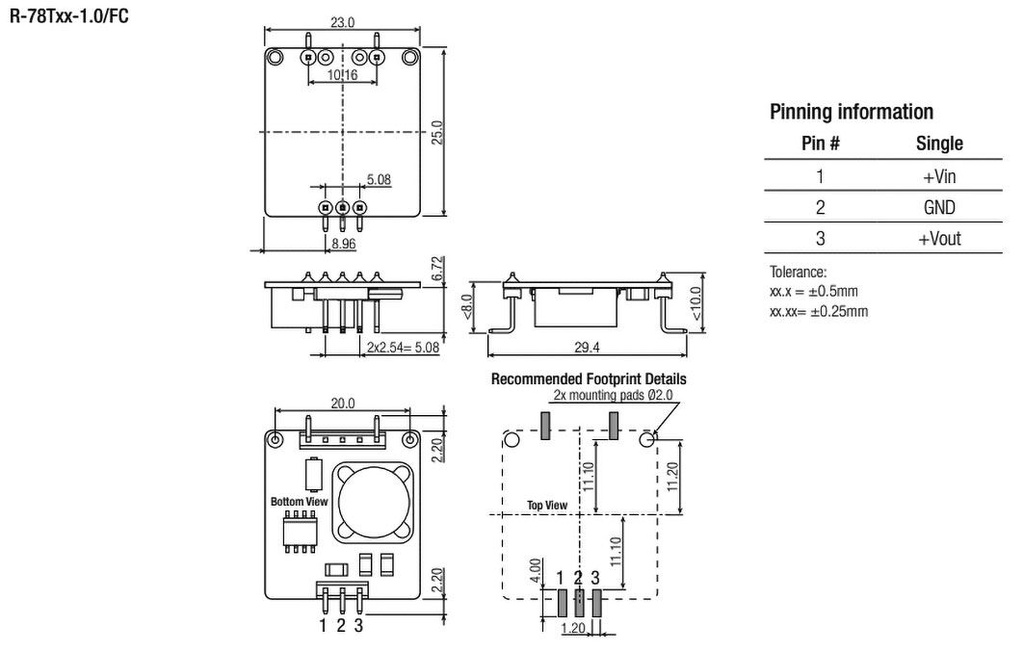
  • Body dimensions
  • Output voltage
  • Efficiency
  • Number of outputs

18,38 € 18,38 € (KM-TA) 18.38 EUR

18,38 €

Seda kombinatsiooni ei eksisteeri.

Lisa ostukorvi

Product downloads

Spetsifikatsioon tootele Converter: DC/DC; 12W; Uin: 15÷42V; Uout: 12VDC; Iout: 1A; SMD; 4.5g

Output current 1A
Mounting PCB
Case SMD
Power 12W
Operating temperature -40...85°C
Protection short circuit protection
Series R-78T-1.0
Body dimensions 23x29.4x8mm
Output voltage 12V DC
Efficiency 92...95%
Number of outputs 1