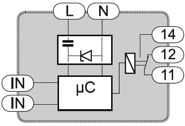
Module: regulator; NTC; temperature; Out: SPDT,relay; DIN; 5÷40°C

Kordarv: 1.0
Minimum quantity: 1.0
Tootekood: RTM-01
Tootja: ZAMEL
Tootja tootekood: RTM-01
  • Mounting
  • Supply voltage
  • Operating temperature
  • IP rating
  • Series
  • Body dimensions
  • Additional functions
  • Additional functions
  • Number of terminals
  • Kind of output
  • Kind of output
  • Kind of temperature sensor
  • Controlled parameter
  • The programming method

40,32 € 40,32 € (KM-TA) 40.32 EUR

40,32 €

Seda kombinatsiooni ei eksisteeri.

Lisa ostukorvi

Product downloads

Spetsifikatsioon tootele Module: regulator; NTC; temperature; Out: SPDT,relay; DIN; 5÷40°C

Mounting for DIN rail mounting
Supply voltage 230V AC
Operating temperature -20...60°C
IP rating IP20
Series RTM
Body dimensions 90x17.5x66mm
Additional functions control of receivers depending on the temperature, LED status indicator
Number of terminals 7
Kind of output relay, SPDT
Kind of temperature sensor NTC
Controlled parameter temperature
The programming method potentiometer