Converter: AC/DC; 8.2W; Uout: 3.3VDC; Iout: 2500mA; 74%; Series: TMLM

Kordarv: 1.0
Minimum quantity: 1.0
Tootekood: TMLM 10103
Tootja: TRACO POWER
Tootja tootekood: TMLM 10103
  • Output current
  • Mounting
  • Power
  • Operating temperature
  • Protection
  • Protection
  • Protection
  • Series
  • Body dimensions
  • Output voltage
  • Insulation voltage
  • Efficiency
  • Number of outputs

0,00 € 0,00 € (KM-TA) 0.0 EUR

0,00 €

Seda kombinatsiooni ei eksisteeri.

Lisa ostukorvi

Product downloads

Spetsifikatsioon tootele Converter: AC/DC; 8.2W; Uout: 3.3VDC; Iout: 2500mA; 74%; Series: TMLM

Output current 2.5A
Mounting PCB
Power 8.2W
Operating temperature -25...60°C
Protection anti-overload, anti-overvoltage, short circuit protection
Series TMLM
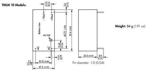
Body dimensions 52.4x27.2x23.5mm
Output voltage 3.3V DC
Insulation voltage 3kV
Efficiency 74%
Number of outputs 1