Converter: AC/DC; 60W; Uout: 24VDC; Iout: 2.5A; 87%; Mounting: PCB

Kordarv: 1.0
Minimum quantity: 1.0
Tootekood: TMM 60124
Tootja: TRACO POWER
Tootja tootekood: TMM 60124
  • Output current
  • Mounting
  • Power
  • Operating temperature
  • Protection
  • Protection
  • Protection
  • Protection
  • Series
  • Application
  • Body dimensions
  • Output voltage
  • Insulation voltage
  • Efficiency

100,07 € 100,07 € (KM-TA) 100.07000000000001 EUR

100,07 €

Seda kombinatsiooni ei eksisteeri.

Lisa ostukorvi

Product downloads

Spetsifikatsioon tootele Converter: AC/DC; 60W; Uout: 24VDC; Iout: 2.5A; 87%; Mounting: PCB

Output current 2.5A
Mounting PCB
Power 60W
Operating temperature -40...75°C
Protection overheating, anti-overload, anti-overvoltage, short circuit protection
Series TMM 60
Application medical applications
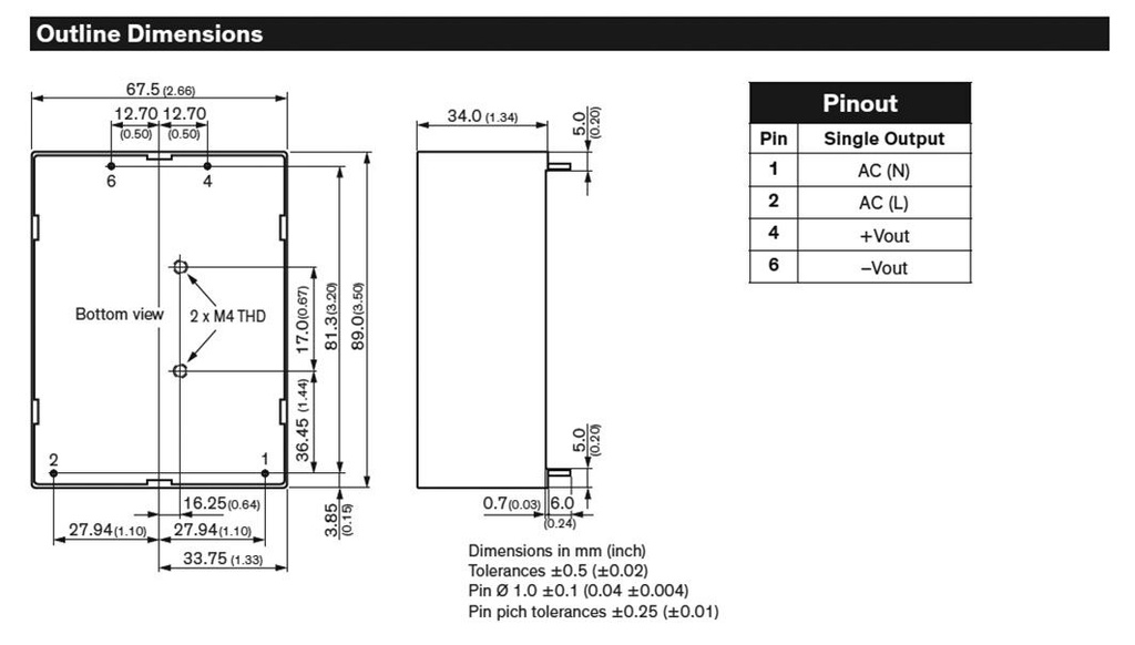
Body dimensions 89x67.5x34mm
Output voltage 24V DC
Insulation voltage 4kV
Efficiency 87%