Converter: DC/DC; 3W; Uin: 36÷75V; Uout: 5VDC; Uout2: -5VDC; SIP8

Kordarv: 1.0
Minimum quantity: 1.0
Tootekood: TVN 3-4821
Tootja: TRACO POWER
Tootja tootekood: TVN 3-4821
  • Output current
  • Mounting
  • Case
  • Power
  • Operating temperature
  • Protection
  • Series
  • Body dimensions
  • Output voltage
  • Insulation voltage
  • Efficiency
  • Output current 2
  • Output voltage 2
  • Number of outputs
  • Switching frequency

25,59 € 25,59 € (KM-TA) 25.59 EUR

25,59 €

Seda kombinatsiooni ei eksisteeri.

Lisa ostukorvi

Product downloads

Spetsifikatsioon tootele Converter: DC/DC; 3W; Uin: 36÷75V; Uout: 5VDC; Uout2: -5VDC; SIP8

Output current 300mA
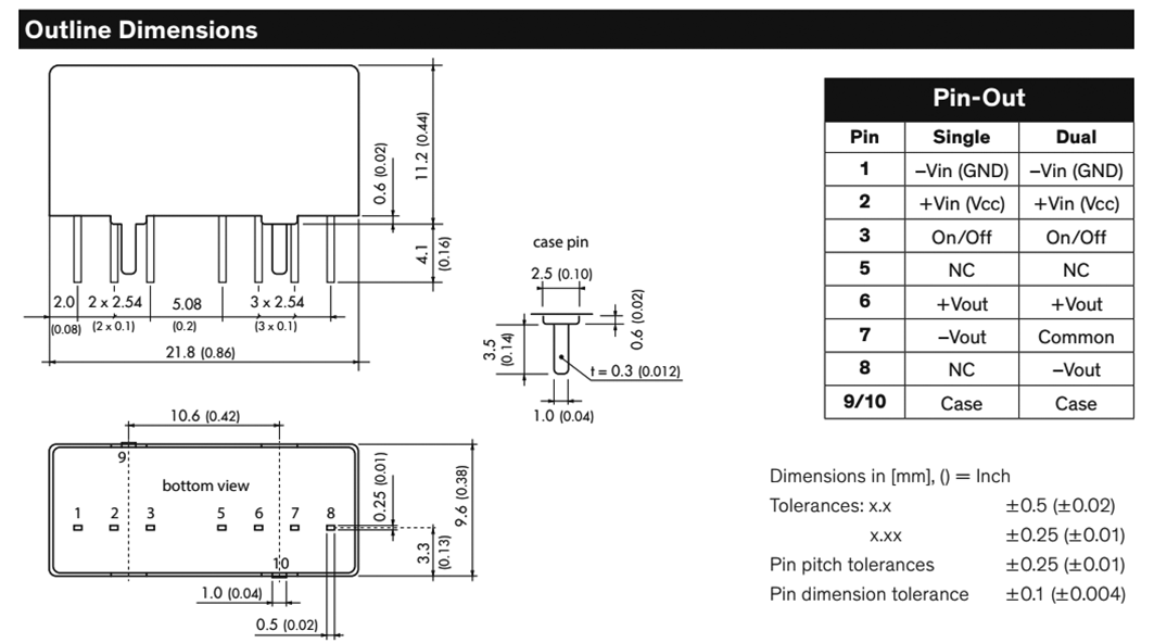
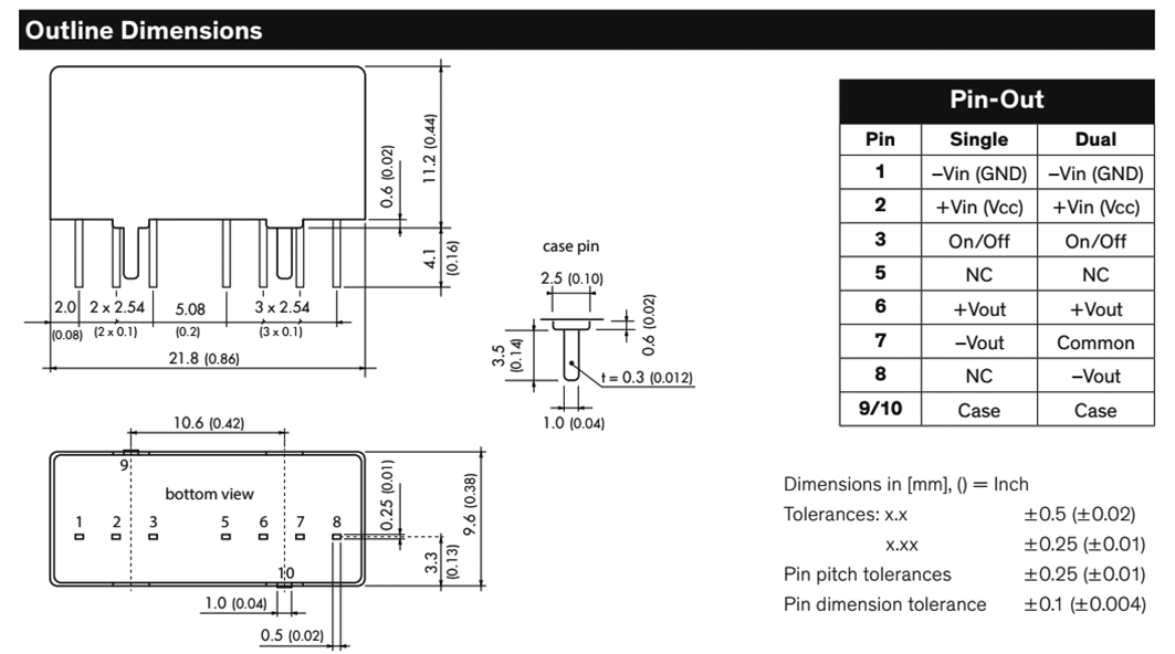
Mounting THT
Case SIP8
Power 3W
Operating temperature -40...90°C
Protection short circuit protection
Series TVN 3
Body dimensions 21.8x11.2x9.6mm
Output voltage 5V DC
Insulation voltage 1.6kV
Efficiency 79%
Output current 2 300mA
Output voltage 2 -5V DC
Number of outputs 2
Switching frequency 100kHz