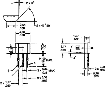
Sensor: Hall; bipolar; Range: -14÷14mT; Usup: 3.8÷30VDC; 20mA

Kordarv: 1.0
Minimum quantity: 1.0
Tootekood: SS413A
Tootja: HONEYWELL
Tootja tootekood: SS413A
  • Supply voltage
  • Case
  • Max. operating current
  • Operating temperature
  • Kind of sensor
  • Type of sensor

2,13 € 2,13 € (KM-TA) 2.13 EUR

2,13 €

Seda kombinatsiooni ei eksisteeri.

Lisa ostukorvi

Product downloads

Spetsifikatsioon tootele Sensor: Hall; bipolar; Range: -14÷14mT; Usup: 3.8÷30VDC; 20mA

Supply voltage 3.8...30V DC
Case SIP3
Max. operating current 20mA
Operating temperature -40...150°C
Kind of sensor bipolar
Type of sensor Hall